ENGINE MOUNTING SLTX B964590 and Intl. SLTX I964590 (4935783578B001) | ENGINE MOUNTING SLTX B964590 and Intl. SLTX I964590 (4935783578B001)

ENGINE MOUNTING SLTX B964590 and Intl. SLTX I964590 (4935783578B001) | ENGINE MOUNTING SLTX B964590 and Intl. SLTX I964590 (4935783578B001)
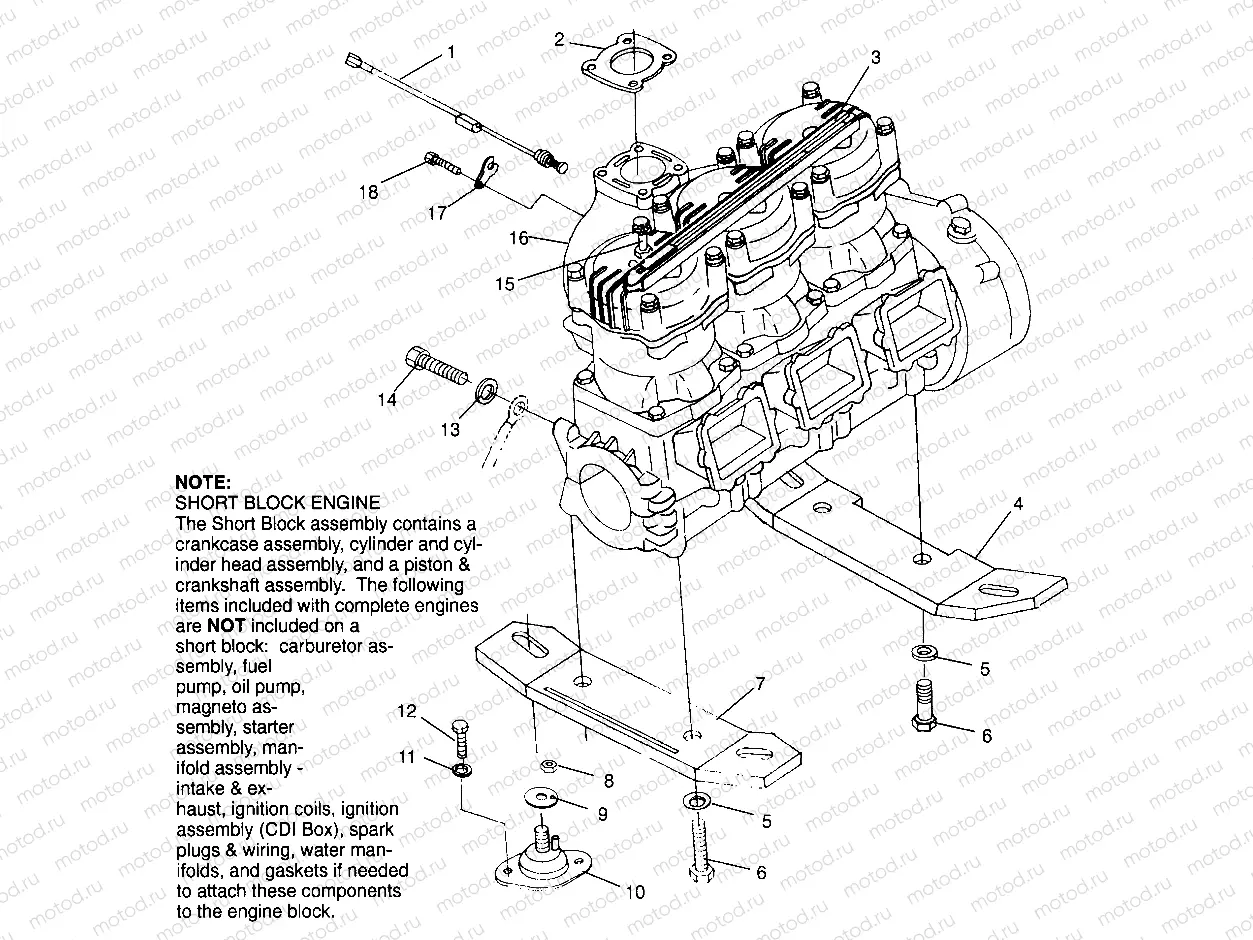
1
4110220
SENSOR,TEMPERATURE
2
5830051
Exhaust gasket
3
7075383
Gebruik / Utilisez 7172605
4
5630585
PLATE,F.MOUNT Substituted by 5631128
5
7555956
WASHER,FLAT
6
7512573
BOLT, S.S.(10)
7
5630584
PLATE,R.MOUNT Substituted by 5631129
8
7547001
Nut
9
5211727
SHIM ENG.MT.
10
3110055
MT,ENG,ANTI-ROTATION Substituted by 3021103
11
7552610
Rondelle (Lock)
12
7515361
BOLT, S.S.(10)
13
7552613
Rondelle (Lock)
14
7516809
BOLT(10)
15
3070174
Bougie d'allumage
16
2200823
KIT,SHT.BLK.(1050 TRIPLE) [No Longer Available]
17
5240876
CLIP,RETAIN,TEMP.SW.
18
7516603
BOLT(1)

Узлы для