ENGINE MOUNTING SL 900 B964291 and Intl. SL 900 I964291 (4935583558B001) | ENGINE MOUNTING SL 900 B964291 and Intl. SL 900 I964291 (4935583558B001)

ENGINE MOUNTING SL 900 B964291 and Intl. SL 900 I964291 (4935583558B001) | ENGINE MOUNTING SL 900 B964291 and Intl. SL 900 I964291 (4935583558B001)
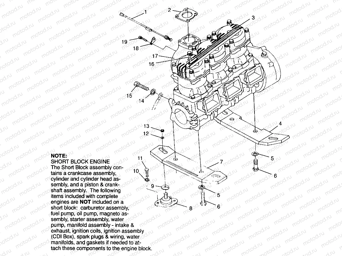
1
4110180
SWITCH ASM,TEMP.
2
5830051
Exhaust gasket
3
LR--
CALIPER, BRAKE, RH
4
5630585
PLATE,F.MOUNT Substituted by 5631128
5
7555956
WASHER,FLAT
6
7512573
BOLT, S.S.(10)
7
5630584
PLATE,R.MOUNT Substituted by 5631129
8
3110055
MT,ENG,ANTI-ROTATION Substituted by 3021103
9
5211727
SHIM ENG.MT.
10
7552610
Rondelle (Lock)
11
7515361
BOLT, S.S.(10)
12
7555848
WASHER FLAT S.S.
13
7542725
NUT, NYLOK, S.S.(10) Substituted by 7547001
14
7552613
Rondelle (Lock)
15
7516809
BOLT(10)
17
2200812
KIT,S.B.,(900 TRIPLE)
18
5240876
CLIP,RETAIN,TEMP.SW.
19
7516603
BOLT(1)

Узлы для