ENGINE MOUNTING SL 900 B964291 and Intl. SL 900 I964291 (4935583558B001) | ENGINE MOUNTING SL 900 B964291 and Intl. SL 900 I964291 (4935583558B001)

ENGINE MOUNTING SL 900 B964291 and Intl. SL 900 I964291 (4935583558B001) | ENGINE MOUNTING SL 900 B964291 and Intl. SL 900 I964291 (4935583558B001)
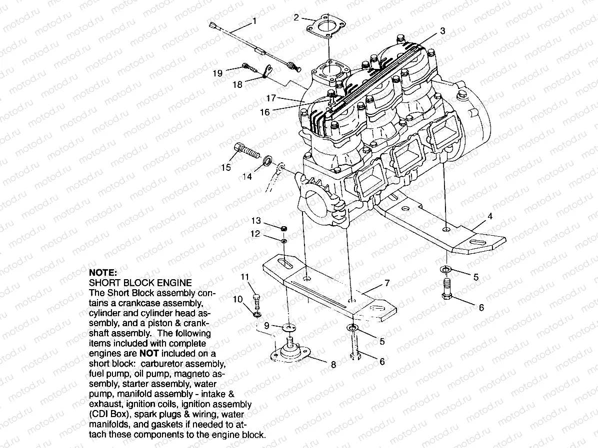
1
4110180
SWITCH ASM,TEMP.
Цена по
запросу
2
5830051
Exhaust gasket
Цена по
запросу
3
LR--
CALIPER, BRAKE, RH
Цена по
запросу
4
5630585
PLATE,F.MOUNT Substituted by 5631128
Цена по
запросу
5
7555956
WASHER,FLAT
Цена по
запросу
6
7512573
BOLT, S.S.(10)
Цена по
запросу
7
5630584
PLATE,R.MOUNT Substituted by 5631129
Цена по
запросу
8
3110055
MT,ENG,ANTI-ROTATION Substituted by 3021103
Цена по
запросу
9
5211727
SHIM ENG.MT.
Цена по
запросу
10
7552610
Rondelle (Lock)
Цена по
запросу
11
7515361
BOLT, S.S.(10)
Цена по
запросу
12
7555848
WASHER FLAT S.S.
Цена по
запросу
13
7542725
NUT, NYLOK, S.S.(10) Substituted by 7547001
Цена по
запросу
14
7552613
Rondelle (Lock)
Цена по
запросу
15
7516809
BOLT(10)
Цена по
запросу
17
2200812
KIT,S.B.,(900 TRIPLE)
Цена по
запросу
18
5240876
CLIP,RETAIN,TEMP.SW.
Цена по
запросу
19
7516603
BOLT(1)
Цена по
запросу

Узлы для