ENGINE MOUNTING SL 700 B964066 and Intl. SL 700 I964066 (4935633563B001) | ENGINE MOUNTING SL 700 B964066 and Intl. SL 700 I964066 (4935633563B001)

ENGINE MOUNTING SL 700 B964066 and Intl. SL 700 I964066 (4935633563B001) | ENGINE MOUNTING SL 700 B964066 and Intl. SL 700 I964066 (4935633563B001)
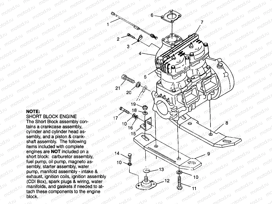
1
4110180
SWITCH ASM,TEMP.
Цена по
запросу
2
7516603
BOLT(1)
Цена по
запросу
3
5240876
CLIP,RETAIN,TEMP.SW.
Цена по
запросу
4
2200681
SHORT BLOCK,TWIN,KIT [No Longer Available]
Цена по
запросу
5
LR--
CALIPER, BRAKE, RH
Цена по
запросу
6
5830051
Exhaust gasket
Цена по
запросу
8
5630585
PLATE,F.MOUNT Substituted by 5631128
Цена по
запросу
9
5630584
PLATE,R.MOUNT Substituted by 5631129
Цена по
запросу
10
7555956
WASHER,FLAT
Цена по
запросу
11
7512573
BOLT, S.S.(10)
Цена по
запросу
12
3110055
MT,ENG,ANTI-ROTATION Substituted by 3021103
Цена по
запросу
13
5211727
SHIM ENG.MT.
Цена по
запросу
14
7515361
BOLT, S.S.(10)
Цена по
запросу
15
5241546
BRKT,R.MUFFLER Substituted by 1060142
Цена по
запросу
16
7555835
WASHER, FLAT, S.S.,(10)
Цена по
запросу
17
7515357
BOLT S.S.
Цена по
запросу
18
7555848
WASHER FLAT S.S.
Цена по
запросу
19
7542725
NUT, NYLOK, S.S.(10) Substituted by 7547001
Цена по
запросу
20
7552610
Rondelle (Lock)
Цена по
запросу
21
7516809
BOLT(10)
Цена по
запросу

Узлы для