ENGINE MOUNTING SL 700 B964066 and Intl. SL 700 I964066 (4935633563B001) | ENGINE MOUNTING SL 700 B964066 and Intl. SL 700 I964066 (4935633563B001)

ENGINE MOUNTING SL 700 B964066 and Intl. SL 700 I964066 (4935633563B001) | ENGINE MOUNTING SL 700 B964066 and Intl. SL 700 I964066 (4935633563B001)
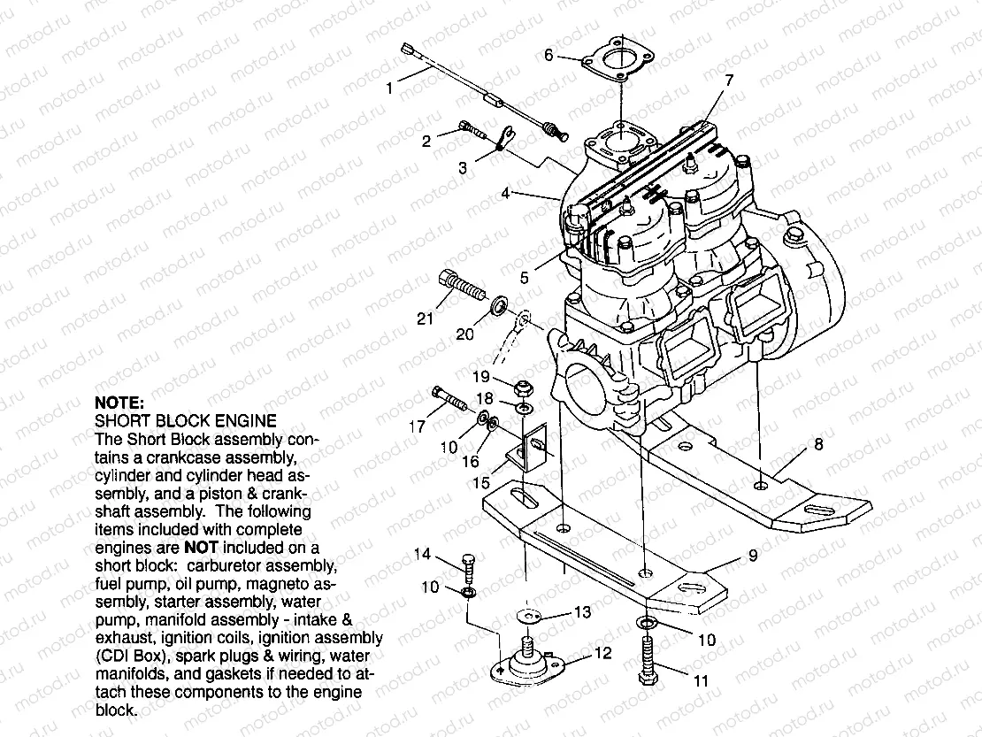
1
4110180
SWITCH ASM,TEMP.
2
7516603
BOLT(1)
3
5240876
CLIP,RETAIN,TEMP.SW.
4
2200681
SHORT BLOCK,TWIN,KIT [No Longer Available]
5
LR--
CALIPER, BRAKE, RH
6
5830051
Exhaust gasket
8
5630585
PLATE,F.MOUNT Substituted by 5631128
9
5630584
PLATE,R.MOUNT Substituted by 5631129
10
7555956
WASHER,FLAT
11
7512573
BOLT, S.S.(10)
12
3110055
MT,ENG,ANTI-ROTATION Substituted by 3021103
13
5211727
SHIM ENG.MT.
14
7515361
BOLT, S.S.(10)
15
5241546
BRKT,R.MUFFLER Substituted by 1060142
16
7555835
WASHER, FLAT, S.S.,(10)
17
7515357
BOLT S.S.
18
7555848
WASHER FLAT S.S.
19
7542725
NUT, NYLOK, S.S.(10) Substituted by 7547001
20
7552610
Rondelle (Lock)
21
7516809
BOLT(10)

Узлы для