ENGINE MOUNTING (BLAZER) - W967827 (4935863586A010) | ENGINE MOUNTING (BLAZER) - W967827 (4935863586A010)

ENGINE MOUNTING (BLAZER) - W967827 (4935863586A010) | ENGINE MOUNTING (BLAZER) - W967827 (4935863586A010)
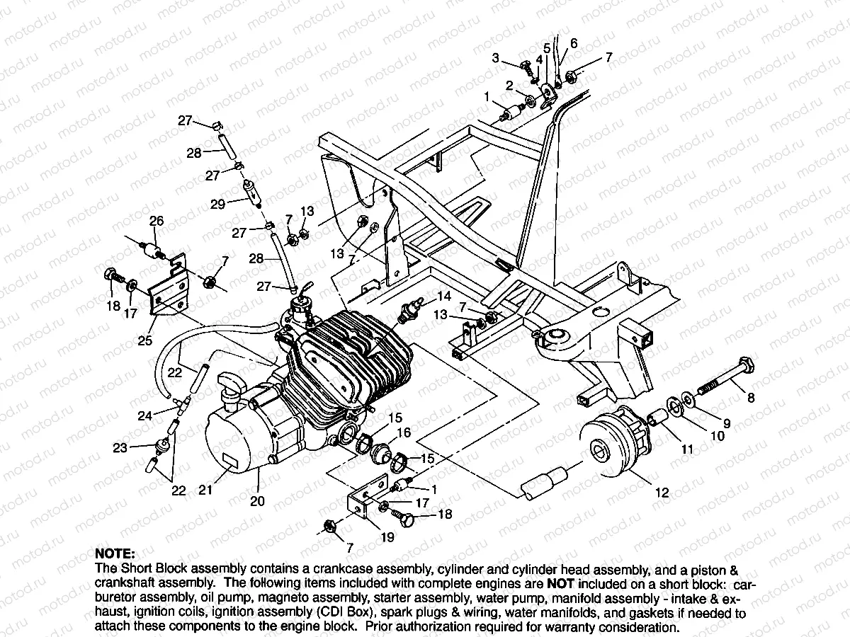
1
3022067
MOUNT MOTOR
Цена по
запросу
2
5430802
INSULATOR MOTOR MT.
Цена по
запросу
3
7515321
Vis
Цена по
запросу
4
7552901
Rondelle (Lock)
Цена по
запросу
5
5220471-067
MOUNT, ENG.,TOP
Цена по
запросу
6
4010067
CABLE,GROUND/ENG.
Цена по
запросу
7
7542403
NUT LOCK
Цена по
запросу
8
7512566
Vis
Цена по
запросу
9
7575202
Rondelle (Lock)
Цена по
запросу
10
5210748
Rondelle
Цена по
запросу
11
5430261
BUSHING
Цена по
запросу
12
LR--
CALIPER, BRAKE, RH
Цена по
запросу
13
7555801
Rondelle
Цена по
запросу
14
3070156
Bougie d'allumage
Цена по
запросу
15
7080511
CLAMP NARROW BAND
Цена по
запросу
16
5410421
BOOT CLUTCH INTAKE
Цена по
запросу
17
7552603
Rondelle (Lock)
Цена по
запросу
18
7512490
Vis
Цена по
запросу
19
5220881-067
PLATE,FR.MTR.MT.
Цена по
запросу
20
3084717
ENG.(S.B.)EC25PF-SB [No Longer Available]
Цена по
запросу
21
7075741
DECAL,DRAIN RECOIL Substituted by 7078577
Цена по
запросу
22
8360009-600
LINE FUEL 1/8 ID 600 CM.
Цена по
запросу
23
7051011
VALVE CHECK
Цена по
запросу
24
7052005
FITTING TEE
Цена по
запросу
25
5241176-067
MT,REAR,(300),BLK.
Цена по
запросу
26
3022068
ISOLATOR-3/8-24M/M 60DURO
Цена по
запросу
27
7080236
CLAMP-HOSE
Цена по
запросу
28
8450042-600
FUEL LINE,3/16 ID(600 CM.)
Цена по
запросу
29
2530009
Filtre à carburant (IN-LINE)
Цена по
запросу

Узлы для