ENGINE MOUNTING - A99CC28CA (4949484948a011) | ENGINE MOUNTING - A99CC28CA (4949484948a011)

ENGINE MOUNTING - A99CC28CA (4949484948a011) | ENGINE MOUNTING - A99CC28CA (4949484948a011)
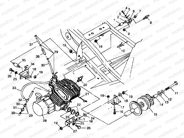
1
3022067
MOUNT MOTOR
Цена по
запросу
2
5430802
INSULATOR MOTOR MT.
Цена по
запросу
3
4010132
CABLE GND-ENGINE
Цена по
запросу
4
7515321
Vis
Цена по
запросу
5
7552901
Rondelle (Lock)
Цена по
запросу
6
5241799-067
MOUNT ENG TOP
Цена по
запросу
7
7542411
NUT FLEXLOC
Цена по
запросу
8
4010211
THERMOSTAT-COOLING FAN
Цена по
запросу
9
7541906
NUT FLEXLOC
Цена по
запросу
10
7052192
FITTING,VENT,1/8"
Цена по
запросу
11
7512566
Vis
Цена по
запросу
12
7575202
Rondelle (Lock)
Цена по
запросу
13
5210748
Rondelle
Цена по
запросу
14
5430261
BUSHING
Цена по
запросу
16
7512457
Vis
Цена по
запросу
17
1040532-067
MOUNT,ENG,LOW,BLK
Цена по
запросу
18
7555806
WASHER FLAT
Цена по
запросу
19
7542403
NUT LOCK
Цена по
запросу
20
3070156
Bougie d'allumage
Цена по
запросу
22
7080511
CLAMP NARROW BAND
Цена по
запросу
23
5410421
BOOT CLUTCH INTAKE
Цена по
запросу
24
7555823
Rondelle
Цена по
запросу
25
7552603
Rondelle (Lock)
Цена по
запросу
26
7512490
Vis
Цена по
запросу
27
5242229-067
MT FR.ENGINE 300 BLK.
Цена по
запросу
28
3084720
ENG.(S.B.)EC28PF-SB Substituted by 1211654
Цена по
запросу
29
7080003
CLAMP HOSE
Цена по
запросу
30
8450040-600
LINE FUEL 1/4 ID(600 CM.)
Цена по
запросу
31
7051011
VALVE CHECK
Цена по
запросу
32
7052005
FITTING TEE
Цена по
запросу
33
8360009-600
LINE FUEL 1/8 ID 600 CM.
Цена по
запросу
34
5241176-067
MT,REAR,(300),BLK.
Цена по
запросу
35
3022068
ISOLATOR-3/8-24M/M 60DURO
Цена по
запросу
36
2530009
Filtre à carburant (IN-LINE)
Цена по
запросу
37
LR--
CALIPER, BRAKE, RH
Цена по
запросу

Узлы для