ENGINE MOUNTING - A05MH59AK/AN (4994199419B01) | ENGINE MOUNTING - A05MH59AK/AN (4994199419B01)

ENGINE MOUNTING - A05MH59AK/AN (4994199419B01) | ENGINE MOUNTING - A05MH59AK/AN (4994199419B01)
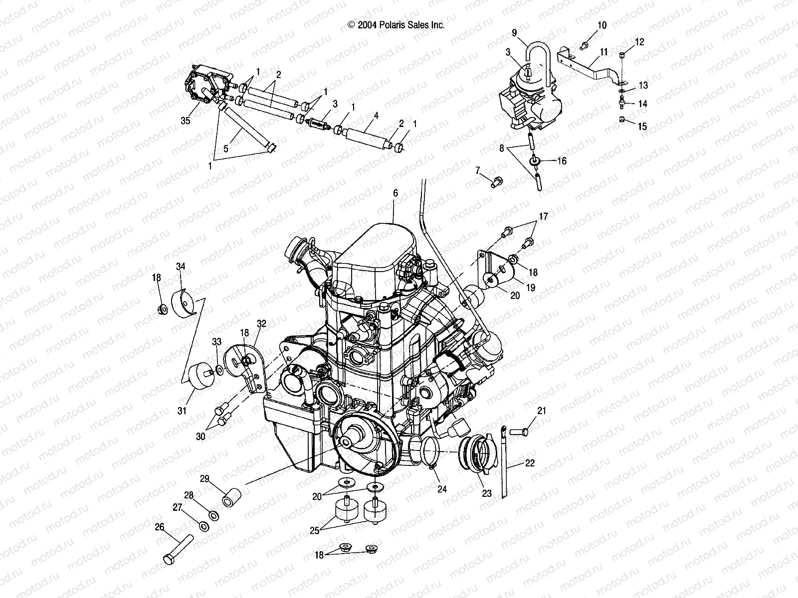
1
7080003
CLAMP HOSE
Цена по
запросу
2
8450117-250
FUEL HOSE-250 CM
Цена по
запросу
3
2530009
Filtre à carburant (IN-LINE)
Цена по
запросу
4
8450105-65
SHEATH-REFLECTSLEEVE 16MMX65CM
Цена по
запросу
5
8450040-600
LINE FUEL 1/4 ID(600 CM.)
Цена по
запросу
6
9990000
Suspension, Rear
Цена по
запросу
7
7517386
Vis
Цена по
запросу
8
8360009-600
LINE FUEL 1/8 ID 600 CM.
Цена по
запросу
9
5412287
HOSE-FORMED VENT
Цена по
запросу
10
7517867
SCREW M5X0.8X10 PHPN ZY L/W SE
Цена по
запросу
11
5247141
BRKT-CARB MNT PLATED
Цена по
запросу
12
7542105
NUT HEX
Цена по
запросу
13
7558203
Rondelle
Цена по
запросу
14
3110050
MOUNT CARBURETOR
Цена по
запросу
15
7542143
INSERT
Цена по
запросу
16
7051011
VALVE CHECK
Цена по
запросу
17
7516734
Vis
Цена по
запросу
18
7547108
Nut
Цена по
запросу
19
5247368
BRKT-MNT ENGINE TOP PLTD
Цена по
запросу
20
7555815
WASHER FLAT
Цена по
запросу
21
7517868
BOLT-M6X1.0X30 HXHD SEMS L/WZY
Цена по
запросу
22
4011139
CABLE-BLK (BATTERY/FRAME)COM
Цена по
запросу
23
5412634
BOOT-CLUTCH INTAKE 2.25 I.D.
Цена по
запросу
23
5412634
BOOT-CLUTCH INTAKE 2.25 I.D.
Цена по
запросу
24
7080451
CLAMP HOSE S.S.
Цена по
запросу
25
3022076
ISOLATOR-3/8-24M 3/8-16M 60DUR
Цена по
запросу
26
7519287
BOLT-CLUTCH ATV 7/16X20X8
Цена по
запросу
27
7575202
Rondelle (Lock)
Цена по
запросу
28
5210748
Rondelle
Цена по
запросу
29
5430261
BUSHING
Цена по
запросу
30
7518364
Vis
Цена по
запросу
31
3024012
ISOLATOR-3/8-24M/M 60DURO
Цена по
запросу
32
5244771-067
MNT-ENGINE LOWER FRONT BLK
Цена по
запросу
33
7555823
Rondelle
Цена по
запросу
34
5245043
BRKT-TORQUE STOP PLTD
Цена по
запросу
35
2520227
ASM-PUMP FUEL
Цена по
запросу

Узлы для