Engine Mounting (4916361636006A) | Engine Mounting (4916361636006A)

Engine Mounting (4916361636006A) | Engine Mounting (4916361636006A)
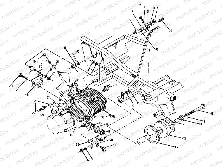
1
3022067
MOUNT MOTOR
Цена по
запросу
2
5430802
INSULATOR MOTOR MT.
Цена по
запросу
3
7515321
Vis
Цена по
запросу
4
7552901
Rondelle (Lock)
Цена по
запросу
5
5220471
MOUNT,ENG.,TOP Substituted by 5220471-067
Цена по
запросу
6
7555801
Rondelle
Цена по
запросу
7
7542403
NUT LOCK
Цена по
запросу
8
7512566
Vis
Цена по
запросу
9
7575202
Rondelle (Lock)
Цена по
запросу
10
5210748
Rondelle
Цена по
запросу
11
5430261
BUSHING
Цена по
запросу
12
1321976
ASM-DRIVE CLUTCH WIDE
Цена по
запросу
13
5410411
SEAL,ENG./CLUTCH
Цена по
запросу
14
1211460
ENG.EC25PF-05(ATV) [No Longer Available]
Цена по
запросу
15
4010067
CABLE,GROUND/ENG.
Цена по
запросу
16
5410346
INSUL.CABLE SOL.
Цена по
запросу
17
3070156
Bougie d'allumage
Цена по
запросу
18
7080346
CABLE, TIE
Цена по
запросу
19
5410421
BOOT CLUTCH INTAKE
Цена по
запросу
20
7512490
Vis
Цена по
запросу
21
7552603
Rondelle (Lock)
Цена по
запросу
22
5220881
"""PLATE FR.MTR.MT."""
Цена по
запросу
23
8360009-600
LINE FUEL 1/8 ID 600 CM.
Цена по
запросу
24
7052005
FITTING TEE
Цена по
запросу
25
3022068
ISOLATOR-3/8-24M/M 60DURO
Цена по
запросу
26
5241056-067
MT R.A/C(ATV) BLK.
Цена по
запросу
27
4110092
THERMOSTAT Substituted by 4010211
Цена по
запросу
28
7541602
NUT, NYLOCK(10)
Цена по
запросу
29
7051011
VALVE CHECK
Цена по
запросу
30
7080236
CLAMP-HOSE
Цена по
запросу
31
2530009
Filtre à carburant (IN-LINE)
Цена по
запросу

Узлы для