ENGINE | ENGINE, THROTTLE BODY MOUNTING - A11MH76AX/AZ (49ATVTHROTTLEBODY116X6)

ENGINE | ENGINE, THROTTLE BODY MOUNTING - A11MH76AX/AZ (49ATVTHROTTLEBODY116X6)
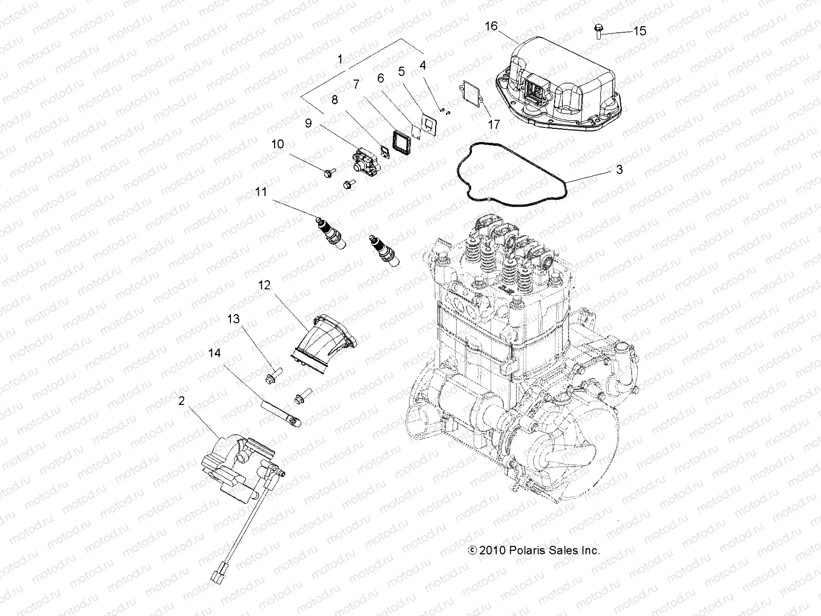
1
3021352
ASM-REED W/GASKET
Цена по
запросу
2
2203924
KIT-THROTTLE BODY 1202836
Цена по
запросу
3
5412836
SEAL-VALVE COVER
Цена по
запросу
7
LR--
CALIPER, BRAKE, RH
Цена по
запросу
9
5438320
COVER-CASE BREATHER DIE CAST
Цена по
запросу
10
7516607
Vis
Цена по
запросу
11
3021671
Bougie d'allumage
Цена по
запросу
12
1240494
ADAPTER-THROTTLE BODY 800EFI
Цена по
запросу
13
7516734
Vis
Цена по
запросу
14
7081623
CLAMP-HOSE
Цена по
запросу
15
7516822
Vis
Цена по
запросу
16
5138505
COVER-VALVE MACH
Цена по
запросу
17
5813659
Intake manifold Gasket
Цена по
запросу

Узлы для