ENGINE | ENGINE, THROTTLE BODY MOUNTING - A07MH68AX/AY/AZ (4999200229920022D08)

ENGINE | ENGINE, THROTTLE BODY MOUNTING - A07MH68AX/AY/AZ (4999200229920022D08)
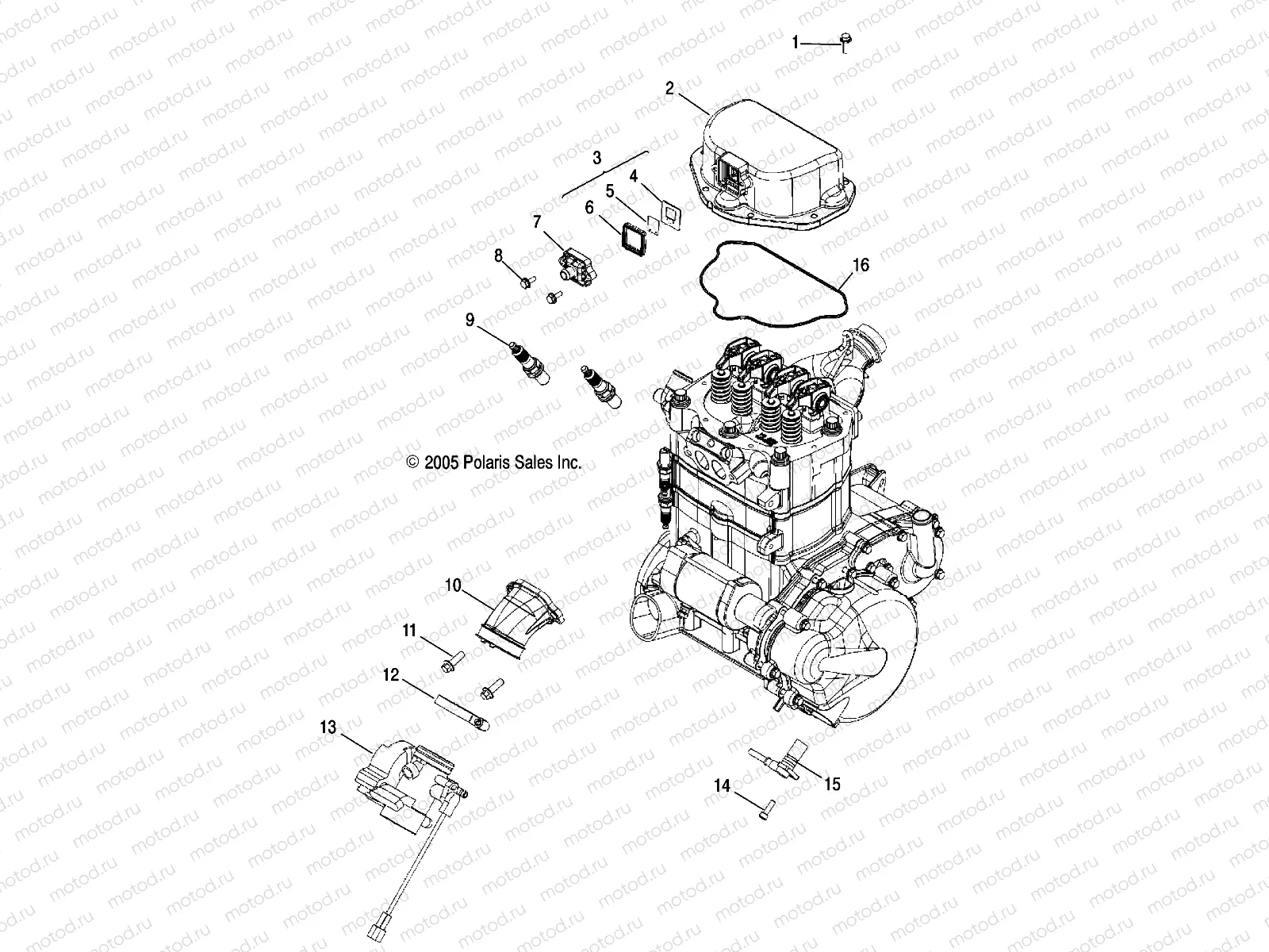
1
7516822
Vis
Цена по
запросу
2
5138505
COVER-VALVE MACH
Цена по
запросу
3
3021352
ASM-REED W/GASKET
Цена по
запросу
5
LR--
CALIPER, BRAKE, RH
Цена по
запросу
7
5438320
COVER-CASE BREATHER DIE CAST
Цена по
запросу
8
7517277
Vis
Цена по
запросу
9
3021671
Bougie d'allumage
Цена по
запросу
10
1253527
ADAPTOR-THROTTLE BODY
Цена по
запросу
11
7518488
SCR-M8X1.25X25 HXFL CL8.8 ZY3
Цена по
запросу
12
7081623
CLAMP-HOSE
Цена по
запросу
13
5413812
O-RING 10.5MM X 1MM V75.75D
Цена по
запросу
13
2203924
KIT-THROTTLE BODY 1202836
Цена по
запросу
13
1204715
ASM-TPS 850 KEIHN
Цена по
запросу
14
7517384
SCREW SOCHD M6X20
Цена по
запросу
15
2410513
SENSOR-CRANK POSITION
Цена по
запросу
16
5412836
SEAL-VALVE COVER
Цена по
запросу

Узлы для