ENGINE | ENGINE, THROTTLE BODY AND VALVE COVER - G20G4D99AS/BS (700828)

ENGINE | ENGINE, THROTTLE BODY AND VALVE COVER - G20G4D99AS/BS (700828)
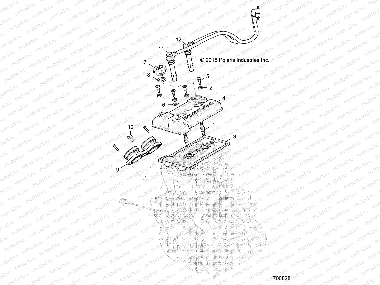
1
3022662
Bougie d'allumage
Цена по
запросу
2
5413806
ISOLATOR-VALVE COVER
Цена по
запросу
3
5415011
SEAL-VALVE COVER 2CY DOHC
Цена по
запросу
4
5634650
COVER-VALVE CAST 2CYL DOHC
Цена по
запросу
5
7519165
BOLT-SHLDR M6X12X15
Цена по
запросу
6
7556750
WASHER-GROUNDING
Цена по
запросу
7
1205012
ASM-OIL FILL CAP
Цена по
запросу
8
5414362
O-RING-FILL CAP
Цена по
запросу
9
1205213
ADAPTOR-THROTTLE BODY
Цена по
запросу
10
7519297
Vis
Цена по
запросу
11
4017692
WIRE-SPARKPLUG MAG 90DEG
Цена по
запросу
12
4017693
WIRE-SPARKPLUG PTO 90DEG
Цена по
запросу

Узлы для