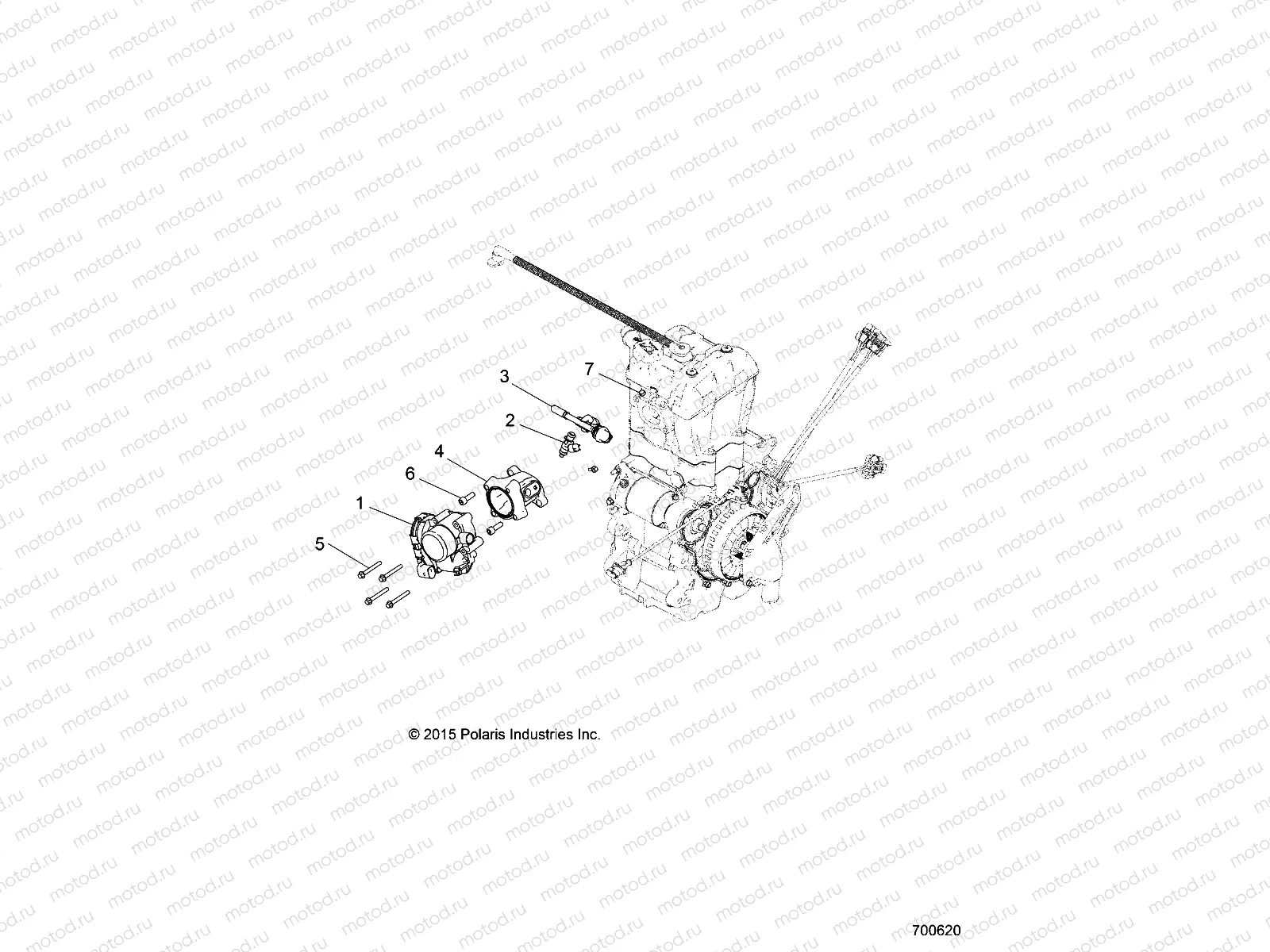
ENGINE | ENGINE, THROTTLE BODY and FUEL RAIL - R21MAA50B1/B7 (700618)

ENGINE | ENGINE, THROTTLE BODY and FUEL RAIL - R21MAA50B1/B7 (700618)
1
1205030
THROTTLE-ETC 40MM
Цена по
запросу
2
2521621
INJ-FUEL SE
Цена по
запросу
3
2521675
RAIL-FUEL 1CYL
Цена по
запросу
4
5415819
ADAPTER-THROTTLE BODY
Цена по
запросу
5
7517932
SCR-M6X1.0X50.0 HX/FL-YD
Цена по
запросу
6
7519859
SCR-SH-M8X1.25X25 8.8 ZPC
Цена по
запросу
7
7518576
SCR-M6X20 HXFLG 0600214
Цена по
запросу

Узлы для