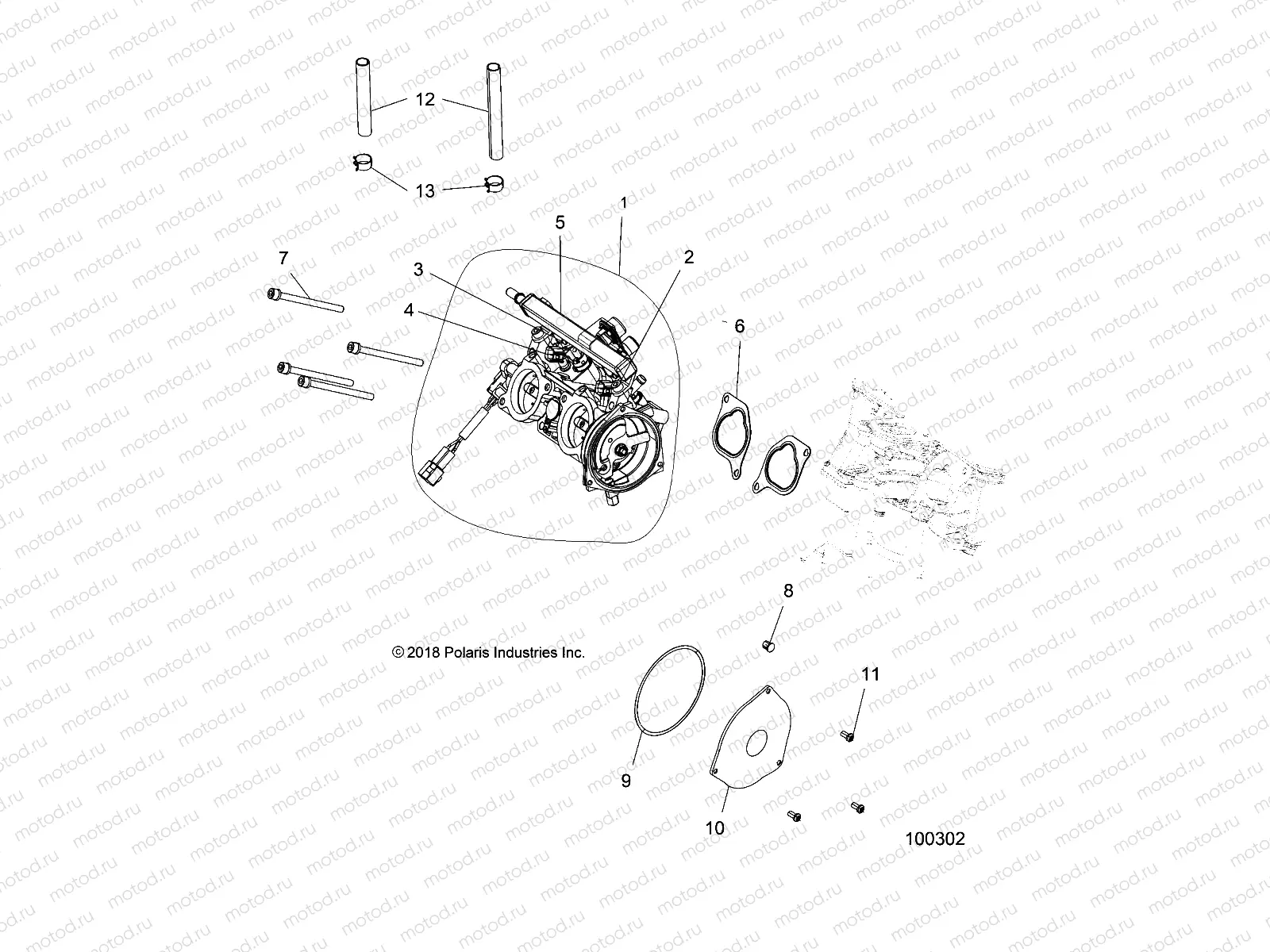
ENGINE | ENGINE, THROTTLE BODY - A18SXA85B1/B7/SXE85BM/BS/B9

ENGINE | ENGINE, THROTTLE BODY - A18SXA85B1/B7/SXE85BM/BS/B9
1
2208004
K-THROTTLE BODY
Цена по
запросу
2
3131716
BOLT-FUEL RAIL
Цена по
запросу
3
3131725
CLIP-INJECTOR
Цена по
запросу
4
1203568
INJECTOR-180G/MIN SINGLE CONE
Цена по
запросу
5
LR--
CALIPER, BRAKE, RH
Цена по
запросу
6
5814296
GASKET-ITB
Цена по
запросу
7
5137620
SCR-SHSEMS-M6X1.0X80 8.8 ZOD
Цена по
запросу
8
3130543
GUIDE CABLE
Цена по
запросу
9
5413599
O-RING THROTTLE CAM COVER
Цена по
запросу
10
5262110
COVER-THROTTLE CAM
Цена по
запросу
11
7519292
SCR-M4X0.7X8MM TX
Цена по
запросу
12
8450123-153
FUEL HSE-5/16 DP SAE J30R9 SVC
Цена по
запросу
12
8450123-153
FUEL HSE-5/16 DP SAE J30R9 SVC
Цена по
запросу
13
7080534
CLAMP HOSE
Цена по
запросу

Узлы для