ENGINE | ENGINE, THERMOSTAT and COVER - A16SEA57N1/N7/E57N1/E57N2/BA57N1

ENGINE | ENGINE, THERMOSTAT and COVER - A16SEA57N1/N7/E57N1/E57N2/BA57N1
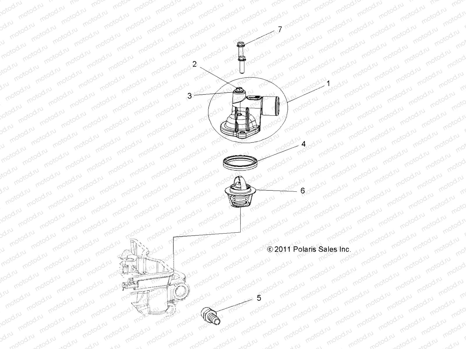
1
3024027
ASM-TSTAT CVR W/BLEED
Цена по
запросу
1
3024027
ASM-TSTAT CVR W/BLEED
Цена по
запросу
2
7519275
SCR-M6X1.0X13 SL/HX/FL-Z BLEED
Цена по
запросу
3
7556578
WASHER-FLAT
Цена по
запросу
4
5413948
SEAL-THERMOSTAT
Цена по
запросу
5
7052583
FITTING-3/8NPTFX1/2 HOSE BARB
Цена по
запросу
6
7052496
THERMOSTAT-44M FLANGE 180F
Цена по
запросу
7
7518576
SCR-M6X20 HXFLG 0600214
Цена по
запросу

Узлы для