ENGINE | ENGINE, STARTING SYSTEM - A12ZN5EFF (49ATVSTARTER11SPXP550)

ENGINE | ENGINE, STARTING SYSTEM - A12ZN5EFF (49ATVSTARTER11SPXP550)
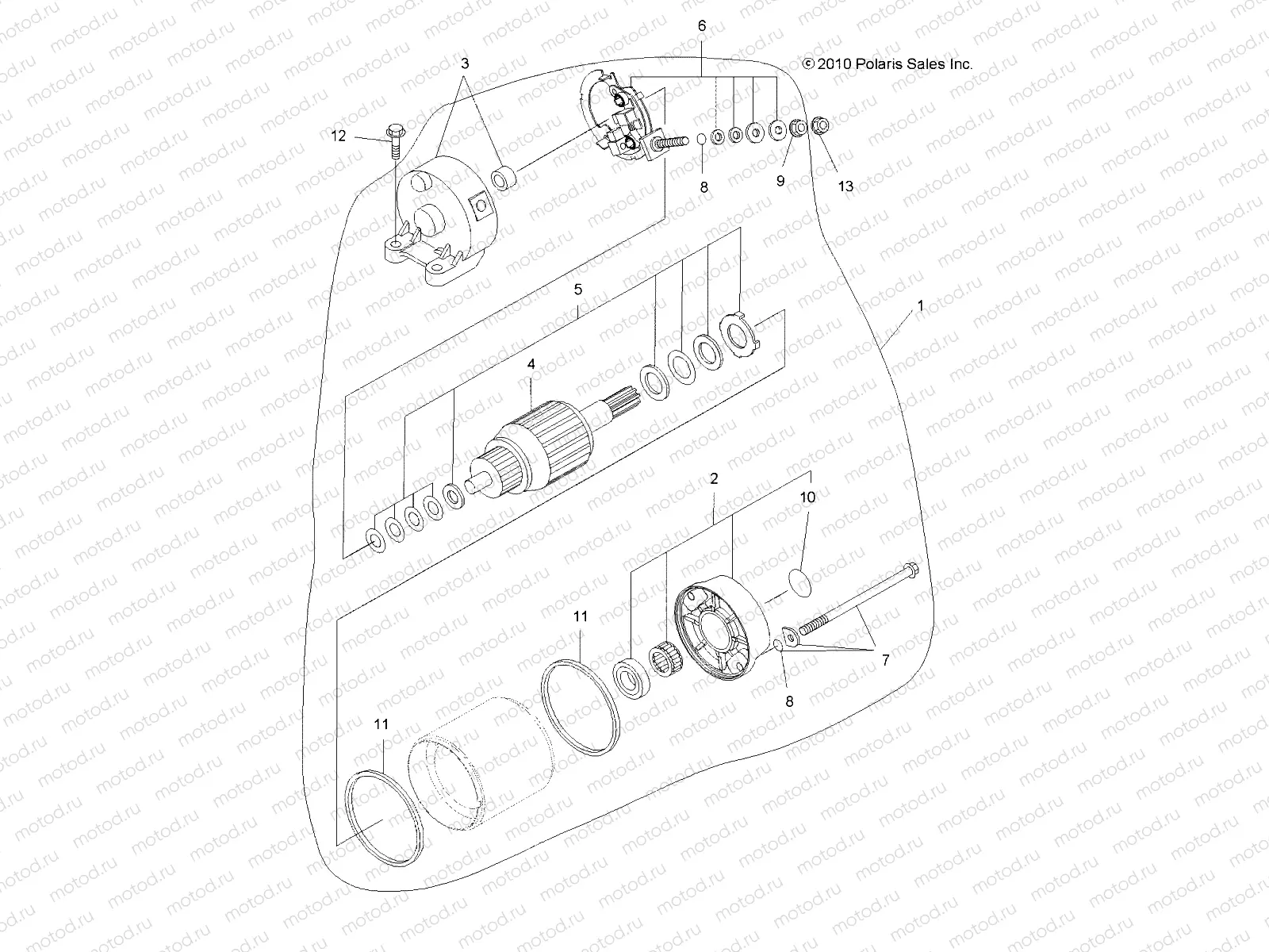
1
3090221
Moteur de démarreur
Цена по
запросу
2
3090222
FRONT BRACKET ASSY.
Цена по
запросу
3
3090224
REAR BRACKET ASSY.
Цена по
запросу
4
3089915
ASM-ARMATURE
Цена по
запросу
5
3089912
WASHER SET
Цена по
запросу
6
3088169
CARBON BRUSH SET
Цена по
запросу
7
3084983
BOLT ASM SET
Цена по
запросу
8
3084408
O-Ring
Цена по
запросу
9
3083649
NUT FLANGE
Цена по
запросу
10
3090223
O-Ring
Цена по
запросу
11
3084405
RING RUBBER
Цена по
запросу
12
3084877
Vis
Цена по
запросу
13
3083856
NUT FLANGE
Цена по
запросу

Узлы для