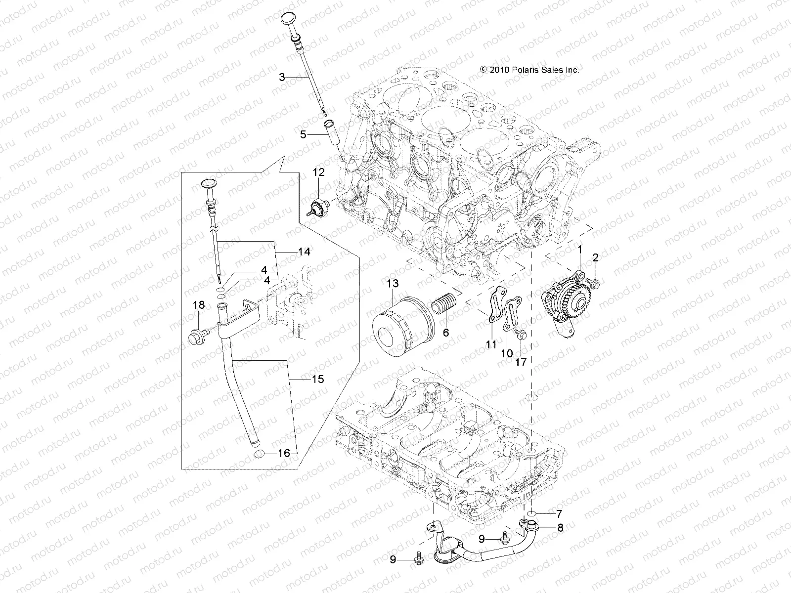
ENGINE | ENGINE, OIL SYSTEM and DIPSTICK - R14TH90FX (49RGROILPUMP11DCREW)

ENGINE | ENGINE, OIL SYSTEM and DIPSTICK - R14TH90FX (49RGROILPUMP11DCREW)
1
3070118
PUMP ASSY LUB.OIL
Цена по
запросу
2
3070119
BOLT M6X14 PLATED
Цена по
запросу
3
3070120
DIPSTICK LUB.OIL
Цена по
запросу
4
3070121
O-RING SERVICE
Цена по
запросу
5
3070122
GUIDE DIPSTICK
Цена по
запросу
6
3070123
STUD
Цена по
запросу
7
3070124
O-Ring
Цена по
запросу
8
3070125
PIPE ASSY LUB.OIL
Цена по
запросу
9
3070126
BOLT 6X10 PLATED
Цена по
запросу
10
3070127
COVER (LO)
Цена по
запросу
11
3070128
PK(LO-T)
Цена по
запросу
12
3070130
SWITCH OIL PRESSURE
Цена по
запросу
13
3070131
Filtre à huile
Цена по
запросу
14
3070377
DIPSTICK ASSY TALL
Цена по
запросу
15
3070378
GUIDE DIPSTICK TALL
Цена по
запросу
16
3070379
O-RING 4D P9
Цена по
запросу
18
3070138
BOLT M8X12 PLATED
Цена по
запросу

Узлы для