ENGINE | ENGINE, OIL FILTER, OIL COOLER AND RELATED - Z23RGD2KAJ/AK/BJ/BK (C703253)

ENGINE | ENGINE, OIL FILTER, OIL COOLER AND RELATED - Z23RGD2KAJ/AK/BJ/BK (C703253)
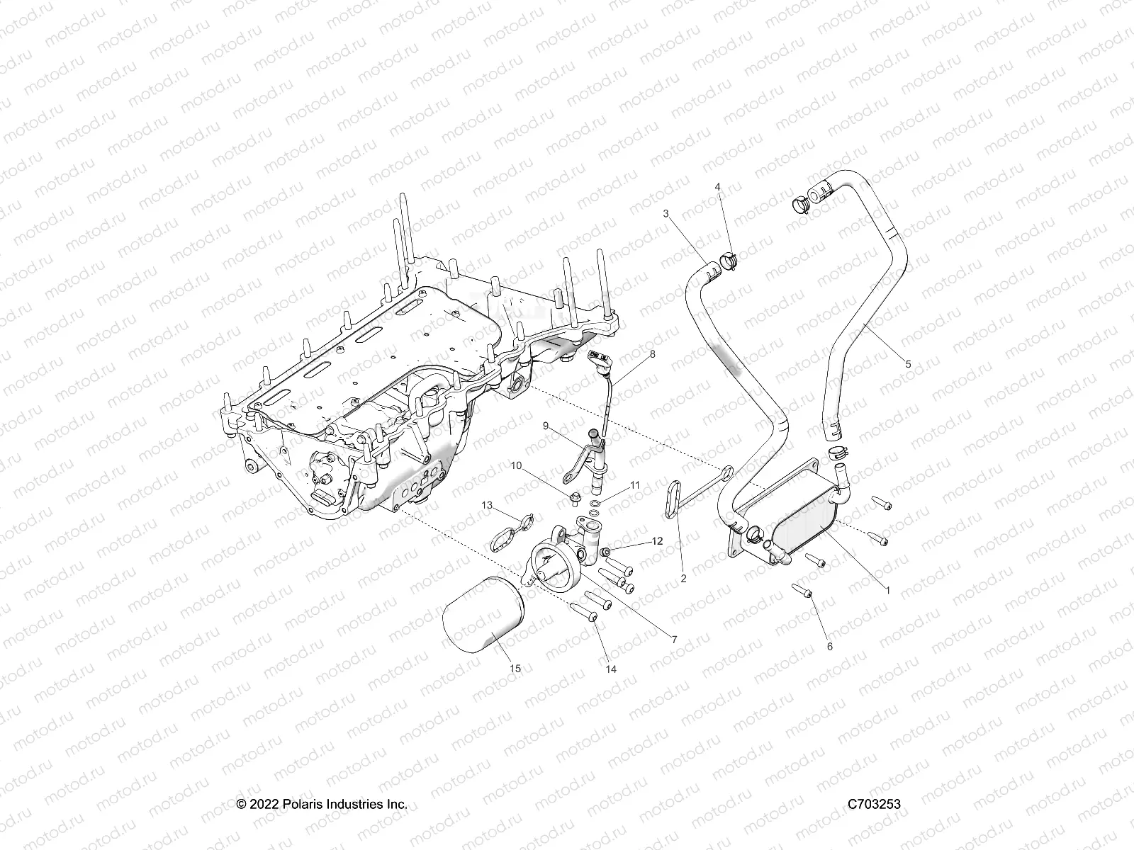
1
2521776
COOLER-OIL
Цена по
запросу
2
5814676
GASKET-OIL COOLER
Цена по
запросу
3
5417161
HOSE-OIL COOLER SUPPLY
Цена по
запросу
4
7081026
CLAMP-HOSE SPRING .81
Цена по
запросу
5
5417160
HOSE-OIL COOLER RETURN
Цена по
запросу
6
7520496
SCR-TXPH-M6X1.0X20 8.8 DOG
Цена по
запросу
7
5143351
ADAPTER-FILTER MACH
Цена по
запросу
7
5144938
ADAPTER-FILTER MACH
Цена по
запросу
8
3024020
DIPSTICK
Цена по
запросу
9
3023415
TUBE-DIPSTICK
Цена по
запросу
10
7517257
SCREW HXFLGHD M6X12
Цена по
запросу
11
5416422
O-RING-.364X.504X.07 VITON
Цена по
запросу
12
7520842
PLUG-SH W/O-RING M10X1
Цена по
запросу
13
5814721
SEAL-FILTER ADAPTER
Цена по
запросу
14
7520705
SCR-BHCS-M8X1.25X30 DOG
Цена по
запросу
15
2521728
Filtre à huile
Цена по
запросу

Узлы для