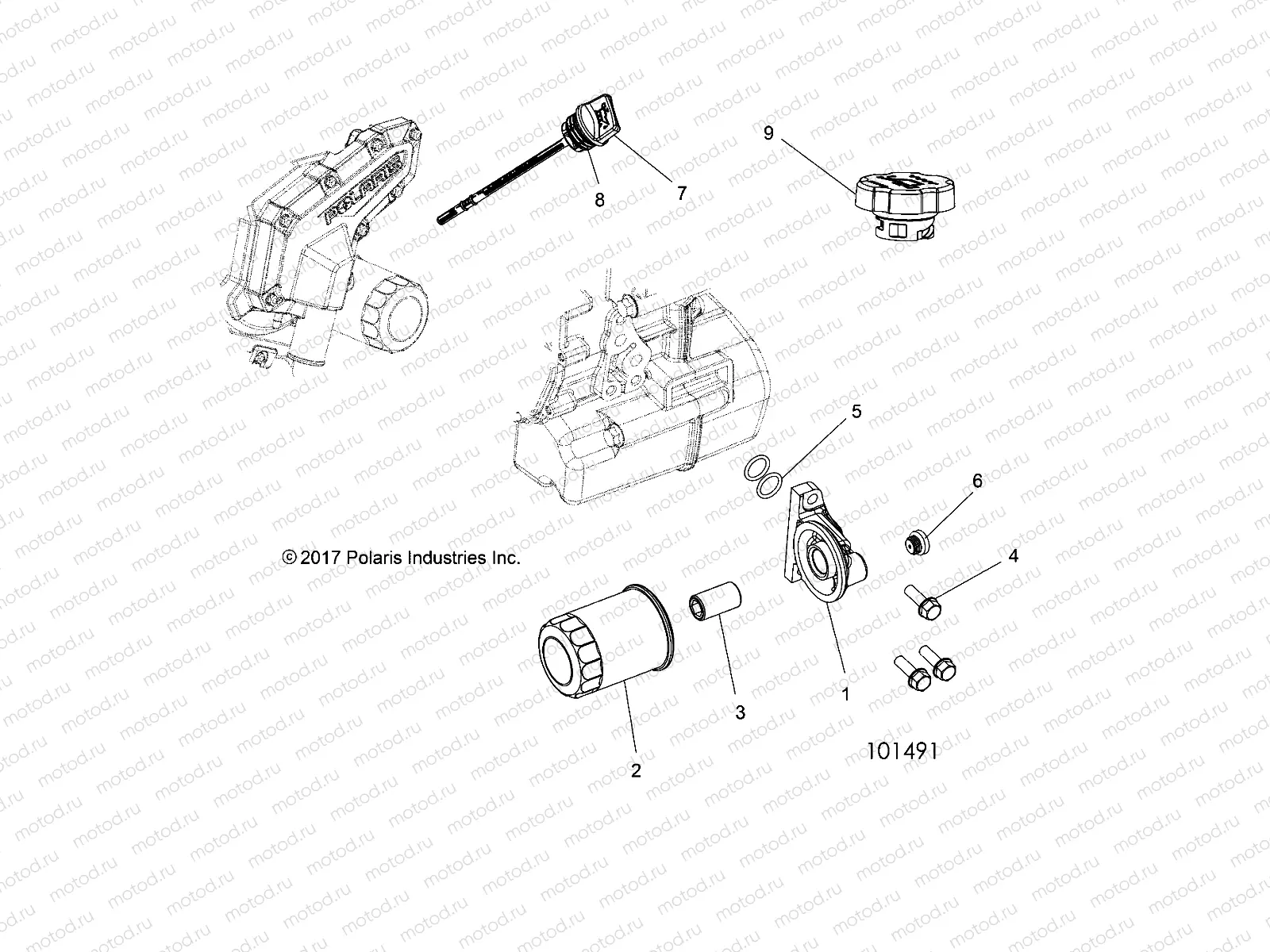
ENGINE | ENGINE, OIL FILTER and DIPSTICK - A18DAA50B7 (101491)

ENGINE | ENGINE, OIL FILTER and DIPSTICK - A18DAA50B7 (101491)
1
5141519
ADAPTER-OIL FILTER MACH
Цена по
запросу
2
2540086
Filtre à huile
Цена по
запросу
3
2521530
ADAPTOR-FILTER STRAIGHT
Цена по
запросу
4
7516734
Vis
Цена по
запросу
5
5411331
O-RING-17.12X2.62
Цена по
запросу
6
7052641
PLUG-HEX SCKT W/O-RING M14X1.5
Цена по
запросу
7
2521140
DIPSTICK-OIL FILL
Цена по
запросу
8
5412530
O-RING-26.65X2.62 0600083
Цена по
запросу
9
1205012
ASM-OIL FILL CAP
Цена по
запросу
9
5414362
O-RING-FILL CAP
Цена по
запросу

Узлы для