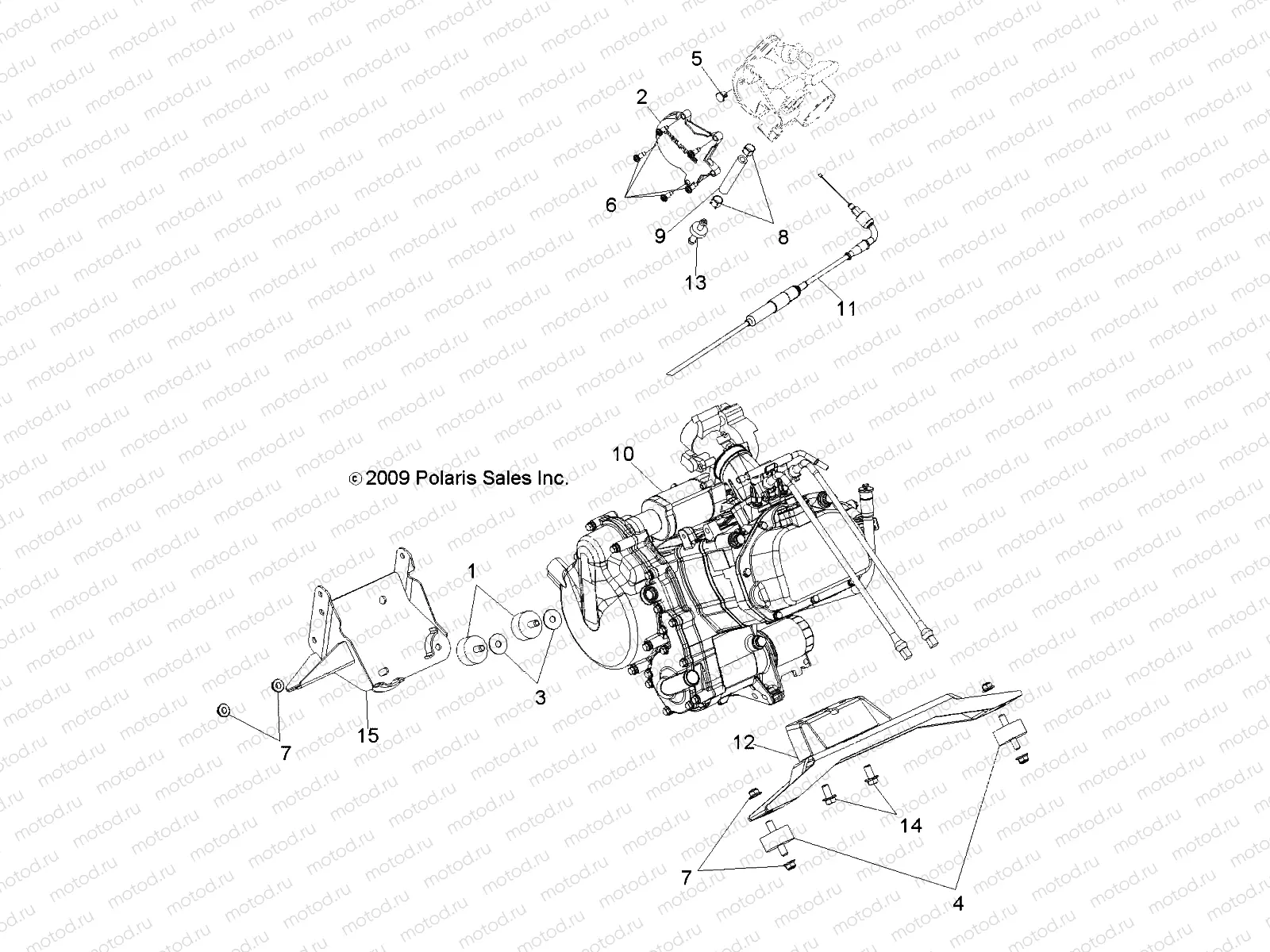
ENGINE | ENGINE, MOUNTING - R10WH76AG/AH/AR/AV/WY76AW/AZ (49RGRENGINEMTG10800CREW)

ENGINE | ENGINE, MOUNTING - R10WH76AG/AH/AR/AV/WY76AW/AZ (49RGRENGINEMTG10800CREW)
1
3022076
ISOLATOR-3/8-24M 3/8-16M 60DUR
Цена по
запросу
2
1202578
ASM-COVER AND O-RING TB
Цена по
запросу
3
7555823
Rondelle
Цена по
запросу
4
3024012
ISOLATOR-3/8-24M/M 60DURO
Цена по
запросу
5
3130543
GUIDE CABLE
Цена по
запросу
6
3131515
SCREW SHOULDER
Цена по
запросу
7
7547263
NUT-3/8-24 NYLOK
Цена по
запросу
8
7080307
CLAMP HOSE
Цена по
запросу
9
8450113
Hose
Цена по
запросу
10
2204314
KIT-LONG BLOCK 800EFI
Цена по
запросу
11
7081559
Câble de gaz
Цена по
запросу
12
1017424-329
WELD-ENGINE MNT 800 BLK
Цена по
запросу
13
7052038
VALVE CHECK
Цена по
запросу
14
7518460
BOLT-M10X1.5X20 HXFLG W/PATCH
Цена по
запросу
15
1017391-329
WELD-MOUNT ENGINE REAR BLK
Цена по
запросу

Узлы для