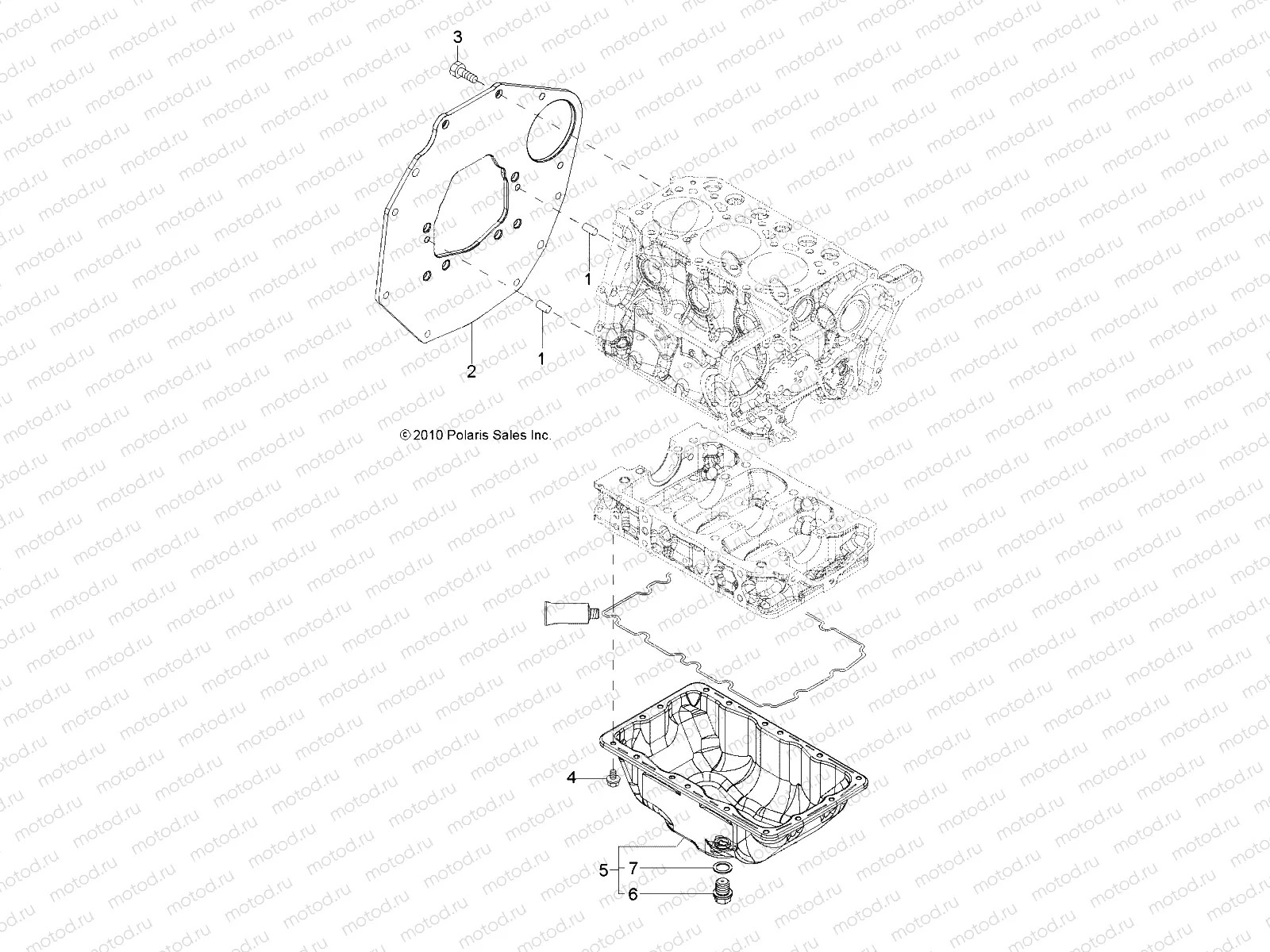
ENGINE | ENGINE, MOUNTING FLANGE and OIL SUMP - R14TH90DG (49RGROILSUMP11DCREW)

ENGINE | ENGINE, MOUNTING FLANGE and OIL SUMP - R14TH90DG (49RGROILSUMP11DCREW)
1
3070037
PARALLEL PIN M8X16
Цена по
запросу
2
3070368
FLANGE MOUNTING
Цена по
запросу
3
7517425
Vis
Цена по
запросу
4
3070038
TORQUES BOLT 6X10
Цена по
запросу
5
3070369
SUMP ASSY LUB OIL
Цена по
запросу
6
3070370
PLUG M16
Цена по
запросу
7
3070226
WASHER 16
Цена по
запросу

Узлы для