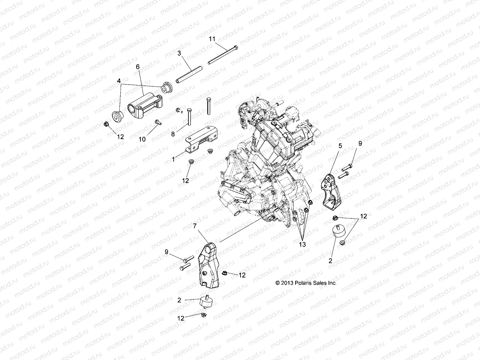
ENGINE | ENGINE, MOUNTING - A14MH57FA/FJ (49ATVENGINEMTG14SP570)

ENGINE | ENGINE, MOUNTING - A14MH57FA/FJ (49ATVENGINEMTG14SP570)
1
5256926
MOUNT-ENGINE REAR
Цена по
запросу
2
3024012
ISOLATOR-3/8-24M/M 60DURO
Цена по
запросу
3
5337887
TUBE-ISOLATOR REAR
Цена по
запросу
4
5415059
ISOLATOR-RUBBER 60 DURO
Цена по
запросу
5
5632967
MOUNT-ENGINE FRONT LH (CAST)
Цена по
запросу
6
5634600
MOUNT-ENGINE REAR (CAST)
Цена по
запросу
6
5139247
MOUNT-ENGINE REAR (MACH)
Цена по
запросу
7
5632995
MOUNT-ENGINE FRONT RH (CAST)
Цена по
запросу
8
7515417
Vis
Цена по
запросу
9
7515528
Vis
Цена по
запросу
10
7518364
Vis
Цена по
запросу
11
7518481
SCR-3/8-24X6.00-HXCP-GR8-Y
Цена по
запросу
12
7547263
NUT-3/8-24 NYLOK
Цена по
запросу
13
7547108
Nut
Цена по
запросу

Узлы для