ENGINE | ENGINE, MOUNTING - A10DH50FX (49ATVENGINEMTG10SP500TRG)

ENGINE | ENGINE, MOUNTING - A10DH50FX (49ATVENGINEMTG10SP500TRG)
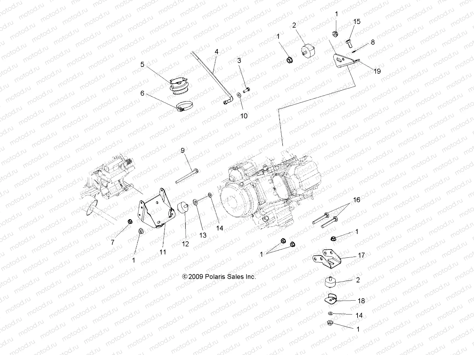
1
7547108
Nut
Цена по
запросу
2
3024012
ISOLATOR-3/8-24M/M 60DURO
Цена по
запросу
3
3082038
BOLT&WASHER ASM.
Цена по
запросу
4
4011546
CABLE-BLK(FRAME/ENGINE)
Цена по
запросу
5
5412487
BOOT-CLUTCH INTAKE
Цена по
запросу
6
7080511
CLAMP NARROW BAND
Цена по
запросу
7
7542343
NUT FLANGE
Цена по
запросу
8
7552901
Rondelle (Lock)
Цена по
запросу
9
7518648
SCR-5/16-18X7.5 HXCP GR Y
Цена по
запросу
10
7558301
WASHER FLAT
Цена по
запросу
11
1015648-329
WELD-MOUNT ENGINE REAR BLK
Цена по
запросу
12
3022076
ISOLATOR-3/8-24M 3/8-16M 60DUR
Цена по
запросу
13
7555815
WASHER FLAT
Цена по
запросу
14
7555797
WASHER FLAT
Цена по
запросу
15
7512315
Vis
Цена по
запросу
16
7518415
Vis
Цена по
запросу
17
5250326
MOUNT-ENGINE FRONT
Цена по
запросу
18
5245043
BRKT-TORQUE STOP PLTD
Цена по
запросу
19
5241453
MOUNT-ENGINE TOP PLTD
Цена по
запросу

Узлы для