ENGINE | ENGINE, FUEL PUMP - A10LH46AX/AZ (4999200059920005D11)

ENGINE | ENGINE, FUEL PUMP - A10LH46AX/AZ (4999200059920005D11)
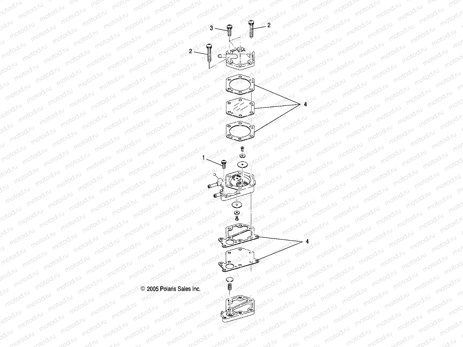
0
2520227
ASM-PUMP FUEL
Цена по
запросу
1
3084999
SCREW&WASHER ASM.
Цена по
запросу
2
3085356
ASM. SCREW & WASHER
Цена по
запросу
3
3084591
ASM. SCREW & WASHER
Цена по
запросу
4
3088170
DIAPHRAGM GASKET SET
Цена по
запросу

Узлы для