ENGINE | ENGINE, FUEL INJECTOR - A09ZN55FX (49ATVFUELINJECT09SPXP550)

ENGINE | ENGINE, FUEL INJECTOR - A09ZN55FX (49ATVFUELINJECT09SPXP550)
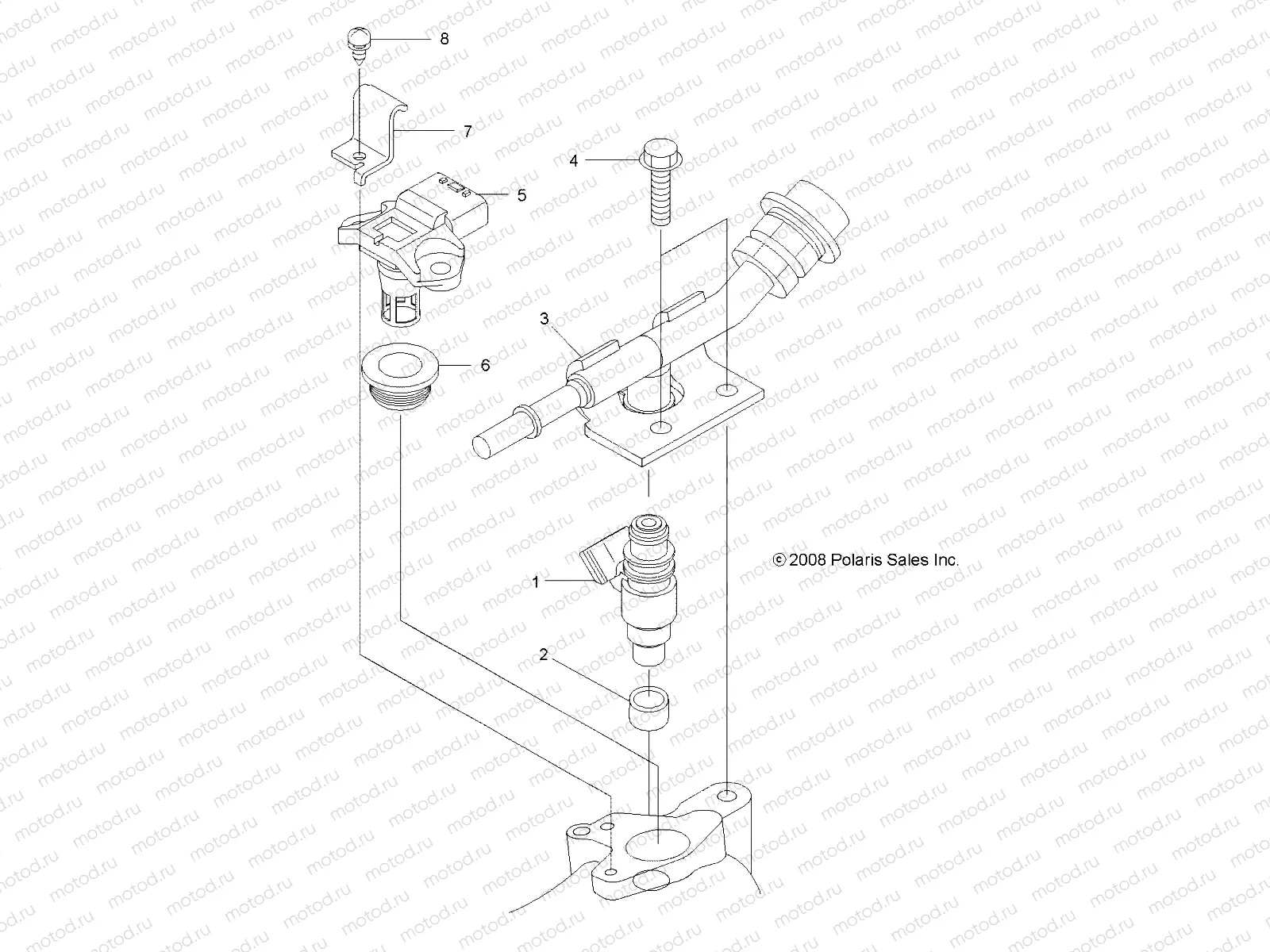
1
3090138
ASM-INJECTOR
Цена по
запросу
2
3089894
SEAL-FUEL INJECTOR
Цена по
запросу
3
3090139
ASM-FUEL DELIVERY PIPE
Цена по
запросу
4
3083361
Vis
Цена по
запросу
5
3090141
ASM-SENSOR T-MAP
Цена по
запросу
6
3090142
Damper
Цена по
запросу
7
3090143
CLIP
Цена по
запросу
8
3089904
ASM-SCREW/WASHER
Цена по
запросу

Узлы для