ENGINE | ENGINE, EXHAUST SYSTEM - Z23G4C92AL/BL (C0704989)

ENGINE | ENGINE, EXHAUST SYSTEM - Z23G4C92AL/BL (C0704989)
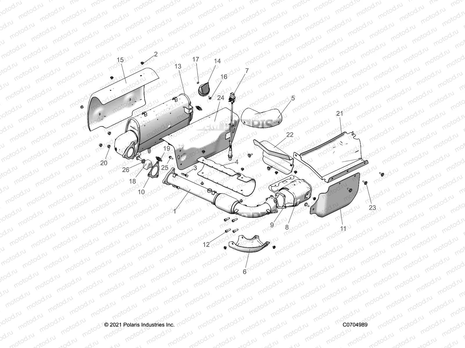
1
1263282
ASM-HEADPIPE TURBO
Цена по
запросу
2
7520291
SCR-HHSEMS-M6X1.0X10 A286 LOCK
Цена по
запросу
3
7520290
STUD-M8X1.25X40 660A SS LOCK
Цена по
запросу
4
5266196
SHIELD-HEAT HEADPIPE RR INNER
Цена по
запросу
5
5266709
SHIELD-HEAT HEADPIPE FRONT
Цена по
запросу
6
5266760
SHIELD-HEAT HEADPIPE FRT LOWER
Цена по
запросу
7
2413317
SENSOR-WIDE BAND LAMBDA
Цена по
запросу
8
5268730
SHIELD-HEAT TURBO UPPER
Цена по
запросу
9
5814964
GASKET-EXHAUST
Цена по
запросу
10
5814963
GASKET-EXHAUST 3 BOLT
Цена по
запросу
11
5814784
SHIELD-REAR CLOSEOFF
Цена по
запросу
12
7520277
SCR-SH-M8X1.25X25 A286 LOCK
Цена по
запросу
13
1263802
ASM-SILENCER
Цена по
запросу
13
1263558
ASM-SILENCER
Цена по
запросу
14
1262390
WELD-SPARK ARRESTOR
Цена по
запросу
15
5266648
SHIELD-SILENCER
Цена по
запросу
16
7517257
SCREW HXFLGHD M6X12
Цена по
запросу
17
7547120
Nut
Цена по
запросу
18
5417101
MNT-ISOLATOR
Цена по
запросу
19
7043727
SPRING-EXHAUST S.S. SHOTPEENED
Цена по
запросу
20
7547803
NUT-HXFL-M8X1.25 A493 EM6340
Цена по
запросу
21
5814783
SHIELD-BOX FRONT
Цена по
запросу
22
5815350
SHIELD-HEAT ENGINE
Цена по
запросу
22
5814785
SHIELD-ENGINE
Цена по
запросу
23
7520964
SCR-HH-M6X1.0X25 ZPB SEMS
Цена по
запросу
24
5272328
SHIELD-REAR,AL
Цена по
запросу
25
7518529
SCR-M6X1.0X20 HXHD FLG TDFM BL
Цена по
запросу
26
7557190
WSHR-14.3X25.4X3.2 SS
Цена по
запросу

Узлы для