ENGINE | ENGINE, EXHAUST SYSTEM - Z17VFE92NG/NK/NM (701390)

ENGINE | ENGINE, EXHAUST SYSTEM - Z17VFE92NG/NK/NM (701390)
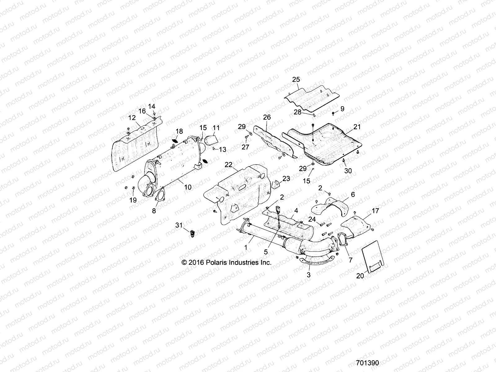
1
1262909
ASM-HEADPIPE TURBO
Цена по
запросу
2
7520291
SCR-HHSEMS-M6X1.0X10 A286 LOCK
Цена по
запросу
3
5264104
SHIELD-HEAT HEADPIPE FRONT
Цена по
запросу
4
5260457
SHIELD-HEAT HEADPIPE RR INNER
Цена по
запросу
5
4016021
SENSOR-OXYGEN
Цена по
запросу
6
5266197
SHIELD-HEAT UPPER
Цена по
запросу
7
5814964
GASKET-EXHAUST
Цена по
запросу
8
5814963
GASKET-EXHAUST 3 BOLT
Цена по
запросу
9
7518591
SCR-HXFLGHD M6X16 0600086
Цена по
запросу
10
1262655
ASM-SILENCER
Цена по
запросу
11
1262390
WELD-SPARK ARRESTOR
Цена по
запросу
12
5263543
SHIELD-SILENCER
Цена по
запросу
13
7517257
SCREW HXFLGHD M6X12
Цена по
запросу
14
7518490
SCR-1/4-20X1/2 TFM HW-M
Цена по
запросу
15
7547120
Nut
Цена по
запросу
16
7555935
Rondelle
Цена по
запросу
17
5266199
SHIELD-HEAT OUTLET
Цена по
запросу
18
7041789
Spring
Цена по
запросу
19
7547803
NUT-HXFL-M8X1.25 A493 EM6340
Цена по
запросу
20
5814082
SHIELD-ACCESS PANEL
Цена по
запросу
21
5814245
SHIELD-BOX FRONT
Цена по
запросу
22
5268152
SHIELD-REAR STAINLESS
Цена по
запросу
23
5450115
MNT-ISOLATOR
Цена по
запросу
24
7520277
SCR-SH-M8X1.25X25 A286 LOCK
Цена по
запросу
25
5262942
SHIELD-ACCESS PANEL
Цена по
запросу
26
5814284
SHIELD-ENGINE
Цена по
запросу
27
7518529
SCR-M6X1.0X20 HXHD FLG TDFM BL
Цена по
запросу
28
7519045
SCR-TX TRUSS-#14X3/4 HI/LO ZBK
Цена по
запросу
29
7556329
WASHER-.281X1.00X.051
Цена по
запросу
30
7661855
RIVET-TUFLOK .315-.325X.787 (5
Цена по
запросу
31
7081808
STRAP-CABLE TIE W/EDGE CLIP
Цена по
запросу

Узлы для