ENGINE | ENGINE, EXHAUST SYSTEM - Z17VD_99AB/AK/AM/AW/LW/AZ/AP (701520)

ENGINE | ENGINE, EXHAUST SYSTEM - Z17VD_99AB/AK/AM/AW/LW/AZ/AP (701520)
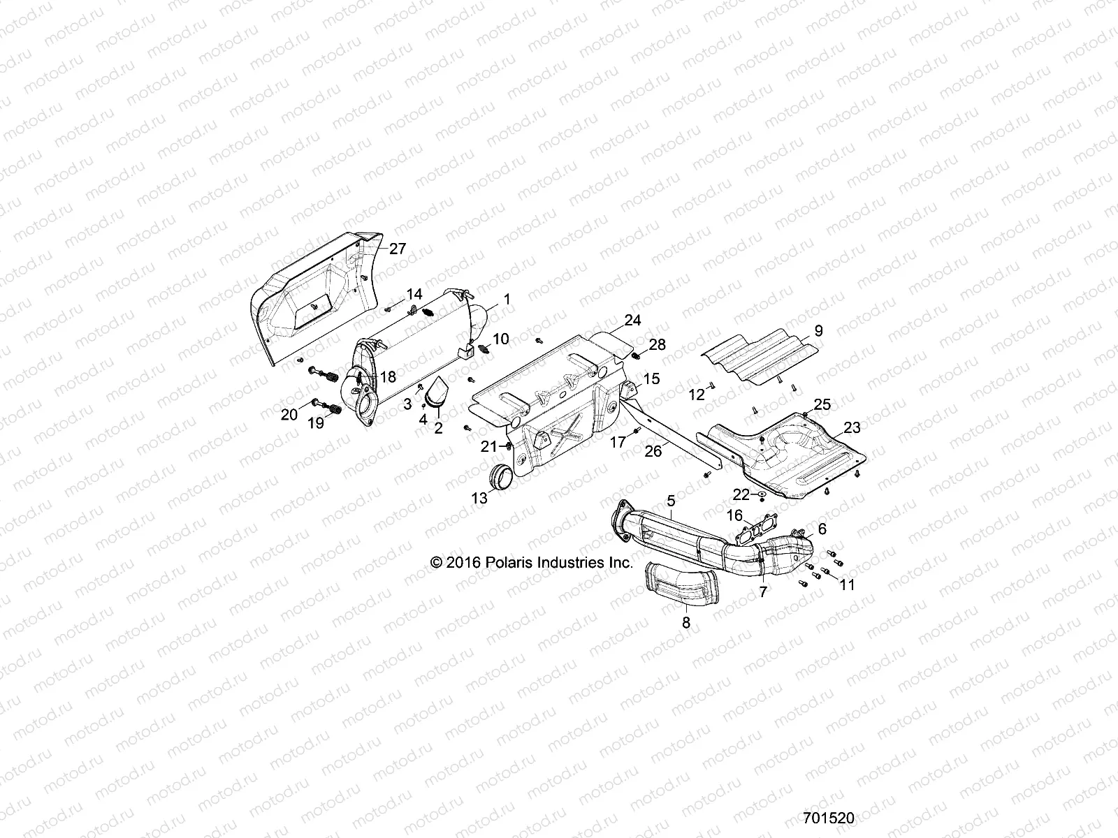
1
1262595
ASM-SILENCER
Цена по
запросу
2
1262390
WELD-SPARK ARRESTOR
Цена по
запросу
3
7517257
SCREW HXFLGHD M6X12
Цена по
запросу
4
7547120
Nut
Цена по
запросу
5
1262599
ASM-HEADPIPE
Цена по
запросу
6
7081156
CLAMP HEAT SHIELD EXHAUST
Цена по
запросу
7
7081579
CLAMP HEAT SHIELD EXHAUST
Цена по
запросу
8
5257570
SHIELD-HEAT HEADPIPE OUTSIDE
Цена по
запросу
9
5262942
SHIELD-ACCESS PANEL
Цена по
запросу
10
7041789
Spring
Цена по
запросу
11
7518984
SCR-M8X1.25X22 HX/SO
Цена по
запросу
12
7519045
SCR-TX TRUSS-#14X3/4 HI/LO ZBK
Цена по
запросу
13
3610236
GASKET-DOUBLE SPHERICAL 2.5
Цена по
запросу
14
7661855
RIVET-TUFLOK .315-.325X.787 (5
Цена по
запросу
15
5450115
MNT-ISOLATOR
Цена по
запросу
16
3610184
Exhaust gasket
Цена по
запросу
17
7518529
SCR-M6X1.0X20 HXHD FLG TDFM BL
Цена по
запросу
18
4016021
SENSOR-OXYGEN
Цена по
запросу
19
7044274
SPRING-SPHERICAL EXHAUST
Цена по
запросу
20
7520079
STUD-SPHERICAL EXHAUST
Цена по
запросу
21
7081496
CLIP-ROUTING
Цена по
запросу
22
7556329
WASHER-.281X1.00X.051
Цена по
запросу
23
5814245
SHIELD-BOX FRONT
Цена по
запросу
24
5268152
SHIELD-REAR STAINLESS
Цена по
запросу
25
7518591
SCR-HXFLGHD M6X16 0600086
Цена по
запросу
26
5263028
SHIELD-FOIL SIDE BOX 0.05AL
Цена по
запросу
27
5814362
SHIELD-REAR BUMPER
Цена по
запросу
28
7081808
STRAP-CABLE TIE W/EDGE CLIP
Цена по
запросу

Узлы для