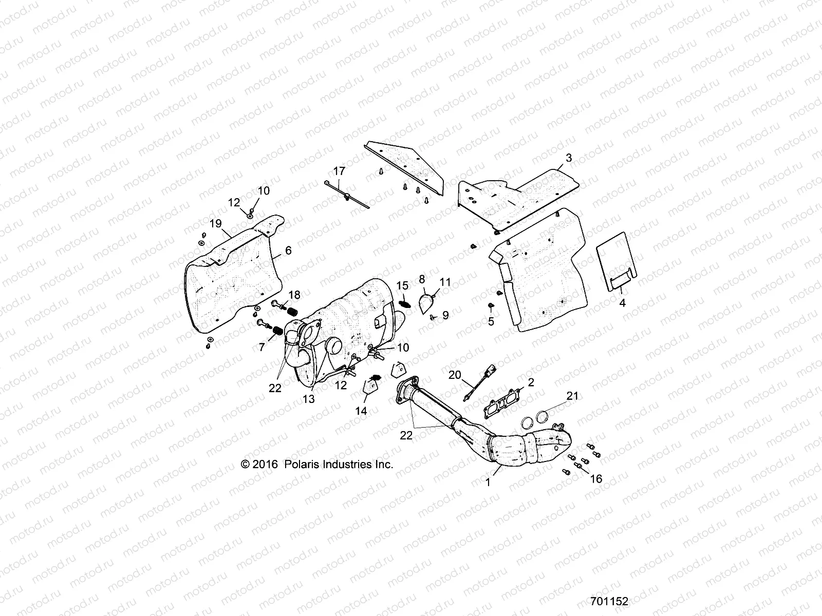
ENGINE | ENGINE, EXHAUST SYSTEM - Z17VBE99AR/AL/AE (701152)

ENGINE | ENGINE, EXHAUST SYSTEM -  Z17VBE99AR/AL/AE (701152)
1
1262674
ASM-HEADPIPE
Цена по
запросу
2
3610184
Exhaust gasket
Цена по
запросу
3
5814042
SHIELD-FRONT BOX
Цена по
запросу
4
5814082
SHIELD-ACCESS PANEL
Цена по
запросу
5
7518529
SCR-M6X1.0X20 HXHD FLG TDFM BL
Цена по
запросу
6
1262670
ASM-SILENCER
Цена по
запросу
7
7044274
SPRING-SPHERICAL EXHAUST
Цена по
запросу
8
1262123
WELD-SPARK ARRESTOR AVA875
Цена по
запросу
9
7517257
SCREW HXFLGHD M6X12
Цена по
запросу
10
7518490
SCR-1/4-20X1/2 TFM HW-M
Цена по
запросу
11
7547120
Nut
Цена по
запросу
12
7555935
Rondelle
Цена по
запросу
13
3610248
GASKET-DOUBLE SPHERICAL 2
Цена по
запросу
14
5450115
MNT-ISOLATOR
Цена по
запросу
15
7041789
Spring
Цена по
запросу
16
7518984
SCR-M8X1.25X22 HX/SO
Цена по
запросу
17
7081496
CLIP-ROUTING
Цена по
запросу
18
7520079
STUD-SPHERICAL EXHAUST
Цена по
запросу
19
5260918-458
SHIELD-SILENCER OUTER BLK
Цена по
запросу
20
4016021
SENSOR-OXYGEN
Цена по
запросу
21
7081156
CLAMP HEAT SHIELD EXHAUST
Цена по
запросу
22
7081579
CLAMP HEAT SHIELD EXHAUST
Цена по
запросу

Узлы для