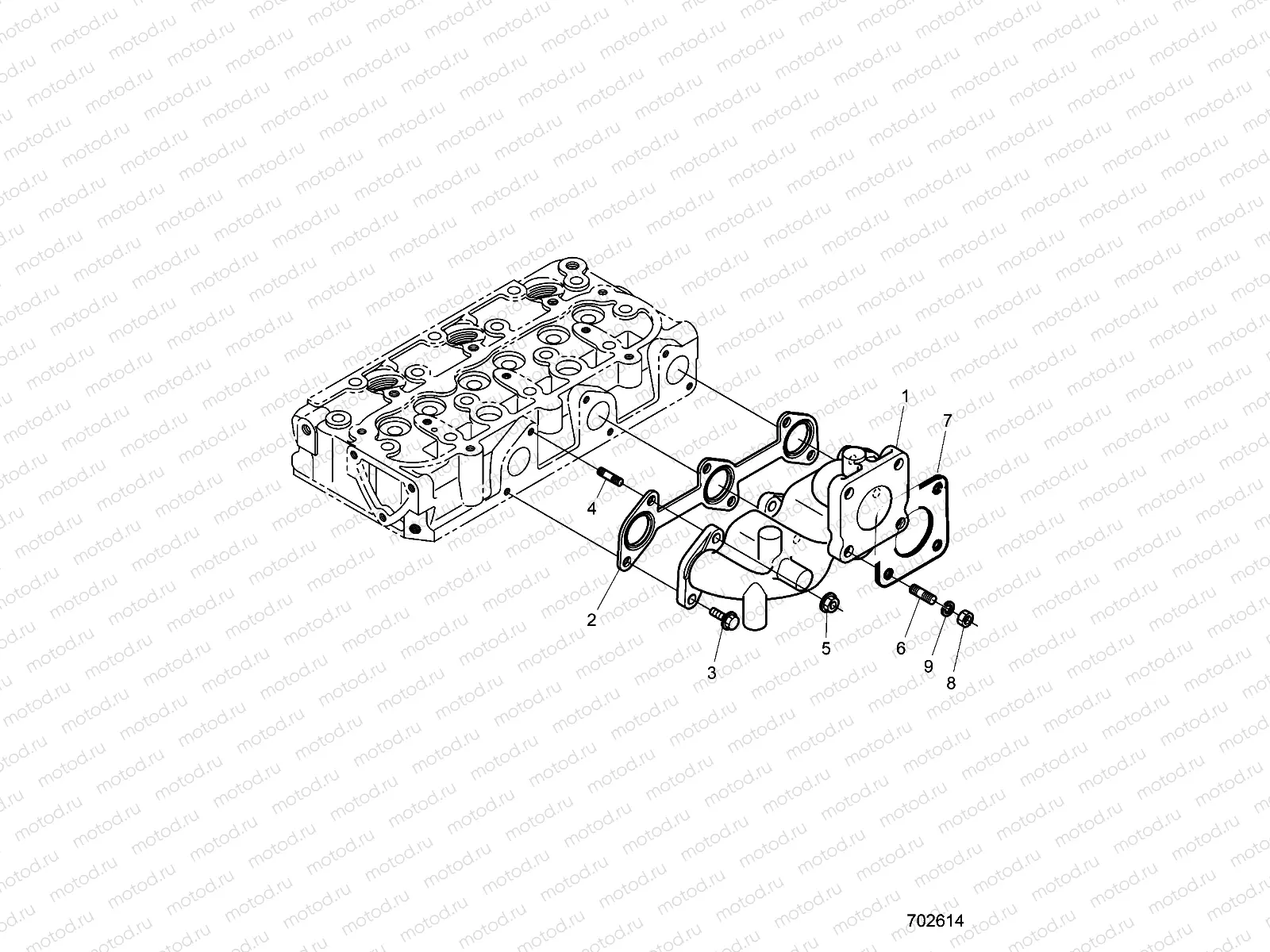
ENGINE | ENGINE, EXHAUST MANIFOLD - D19BEPD4B4 (702614)

ENGINE | ENGINE, EXHAUST MANIFOLD - D19BEPD4B4 (702614)
1
3070738
MANIFOLD,EXHAUST
Цена по
запросу
2
3070739
GASKET,EX-MANIFOLD
Цена по
запросу
3
3070740
BOLT,UBS
Цена по
запросу
4
3070741
Stud bolt
Цена по
запросу
5
3070742
NUT,UBS
Цена по
запросу
6
3070743
Stud bolt
Цена по
запросу
7
3070744
PACKING,MUFFLER
Цена по
запросу
8
3070685
HEX.NUT
Цена по
запросу
9
3070686
Rondelle (Lock)
Цена по
запросу

Узлы для