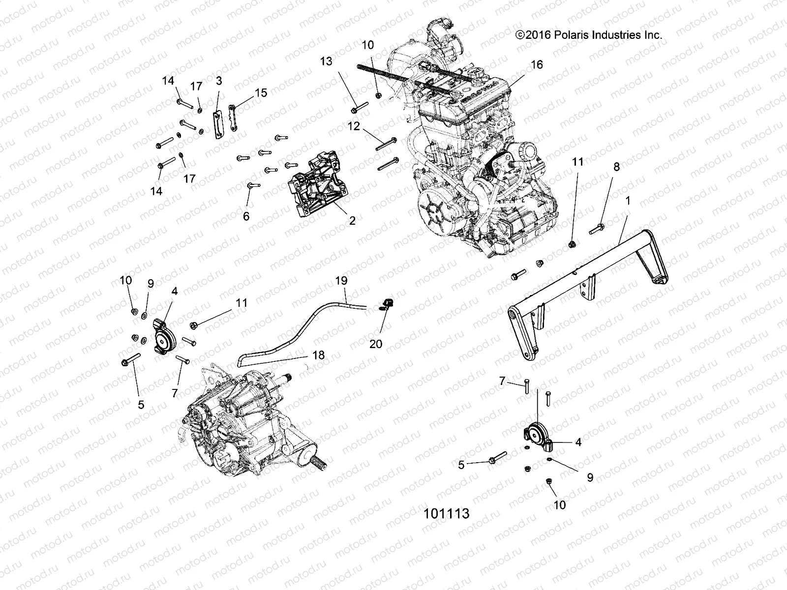
ENGINE | ENGINE, ENGINE MOUNTING - A19DCE87AK (101113)

ENGINE | ENGINE, ENGINE MOUNTING - A19DCE87AK (101113)
1
1021392-329
WELD-MOUNT ENGINE FRONT E-COAT
Цена по
запросу
2
5143718
COUPLER-ENGINE GEARCASE
Цена по
запросу
3
5255238
BRKT-COUPLER TRANS
Цена по
запросу
4
1332955
MOUNT-ISOLATOR DRIVELINE
Цена по
запросу
5
7518826
BOLT-M10X1.5X60 HX FLG HD
Цена по
запросу
6
7520467
BOLT-M10X1.5X60MM8.8HEXDRILOCK
Цена по
запросу
7
7519097
SCR-HH M8X1.25X45 8.8 ZOD
Цена по
запросу
8
7519332
SCR-HXFL-M10X1.25X40 8.8 ZOD
Цена по
запросу
9
7547030
PALNUT
Цена по
запросу
10
7547332
NUT-M8X1.25 FLG NYLOC-OLIVE D
Цена по
запросу
11
7547333
NUT-M10X1.25 FLG NYLOC-OLIVE D
Цена по
запросу
12
7519043
SCR-HXFL-M10X1.25X95 10.9 ZOD(
Цена по
запросу
13
7519298
SCR-HXFL-M8X1.25X60 8.8 ZOD
Цена по
запросу
14
7518595
BOLT-M10X1.25X40 HXFLG-OLIVE D
Цена по
запросу
15
5259964
WELD-NUT PLATE
Цена по
запросу
16
2207362
K-LONG BLOCK 875 ACE
Цена по
запросу
17
7556153
WASHER 3/8 FW
Цена по
запросу
18
7081432
CLAMP-HOSE 17/32 GREEN
Цена по
запросу
19
8450040-600
LINE FUEL 1/4 ID(600 CM.)
Цена по
запросу
20
5453464
FITTING-VENT LINE 90
Цена по
запросу

Узлы для