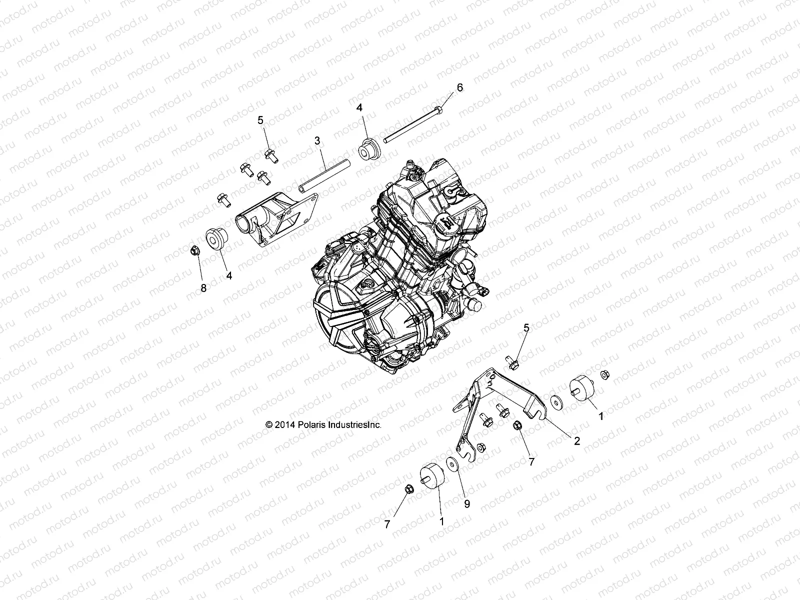
ENGINE | ENGINE, ENGINE MOUNTING - A15SAA32EH (49ATVENGINEMTG15SPETX)

ENGINE | ENGINE, ENGINE MOUNTING - A15SAA32EH (49ATVENGINEMTG15SPETX)
1
3024012
ISOLATOR-3/8-24M/M 60DURO
Цена по
запросу
2
5259257
MOUNT-BRKT ENGINE FRONT 325
Цена по
запросу
3
5337887
TUBE-ISOLATOR REAR
Цена по
запросу
4
5415404
ISOLATOR-RUBBER 40D SILICONE
Цена по
запросу
5
7518460
BOLT-M10X1.5X20 HXFLG W/PATCH
Цена по
запросу
6
7518481
SCR-3/8-24X6.00-HXCP-GR8-Y
Цена по
запросу
7
7547108
Nut
Цена по
запросу
8
7547263
NUT-3/8-24 NYLOK
Цена по
запросу
9
7555761
Rondelle
Цена по
запросу

Узлы для