ENGINE | ENGINE, CYLINDER HEAD - A16YAK09AF (49ATVCYLINDERHD11SP90)

ENGINE | ENGINE, CYLINDER HEAD - A16YAK09AF (49ATVCYLINDERHD11SP90)
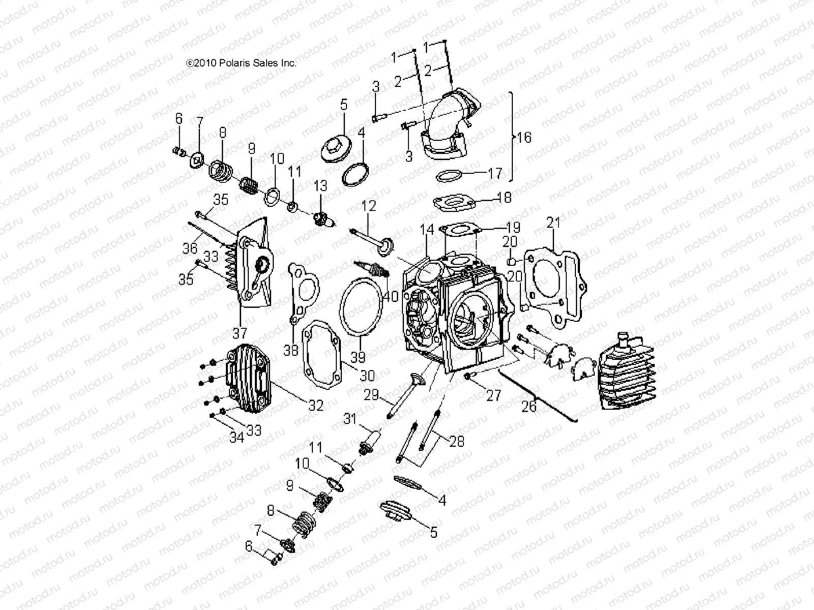
0
0455198
ASM., ENGINE
Цена по
запросу
1
0450880
NUT-FLG W/SERR
Цена по
запросу
2
0453573
STUD-INTAKE MANIFOLD
Цена по
запросу
4
0452371
O-RING DRAIN PLUG
Цена по
запросу
5
0453537
COVER-CYLINDER
Цена по
запросу
6
0452389
CLIP-RETAINER
Цена по
запросу
7
0453443
RETAINER-SPRING VALVE
Цена по
запросу
8
0453442
SPRING-VALVE INNER (IN)
Цена по
запросу
9
0453441
SPRING-VALVE OUTER (EX)
Цена по
запросу
10
0453444
SEAT-VALVE SPRING OUTER
Цена по
запросу
11
0453426
SEAL-VALVE ENGINE
Цена по
запросу
12
0453439
VALVE-INTAKE CYLINDER
Цена по
запросу
13
0453575
Guide, Valve Intake
Цена по
запросу
14
0454845
ASM-HEAD CYLINDER 90
Цена по
запросу
16
0453448
ASM-MANIFOLD INTAKE
Цена по
запросу
17
0453563
O-Ring
Цена по
запросу
18
0453449
INSULATOR-MANIFOLD
Цена по
запросу
19
0455364
GASKET-MANIFOLD
Цена по
запросу
20
0452342
Dowel pin
Цена по
запросу
21
0455391
Joint culasse
Цена по
запросу
26
0455402
ASM-COVER CYLINDER HEAD SM LH
Цена по
запросу
27
0453520
Vis
Цена по
запросу
28
0453504
Stud bolt
Цена по
запросу
29
0453440
VALVE-EXHAUST CYLINDER
Цена по
запросу
30
0455434
Joint de couvercle de soupape
Цена по
запросу
31
0453576
GUIDE-VALVE EXHAUST
Цена по
запросу
32
0453534
COVER-CYLINDER HEAD
Цена по
запросу
33
0453510
WASHER-CYLINDER HEAD
Цена по
запросу
34
0453553
NUT-ROUND HEAD ZINC
Цена по
запросу
35
0453519
Vis
Цена по
запросу
36
0453723
Vis
Цена по
запросу
37
0455103
COVER-HEAD RH
Цена по
запросу
38
0455435
Joint de couvercle de soupape
Цена по
запросу
39
0455436
Joint de couvercle de soupape
Цена по
запросу
40
0453034
Bougie d'allumage
Цена по
запросу

Узлы для