ENGINE | ENGINE, CYLINDER and HEAD - A09BG50FA (49ATVCYLINDERHD08SCRAM)

ENGINE | ENGINE, CYLINDER and HEAD - A09BG50FA (49ATVCYLINDERHD08SCRAM)
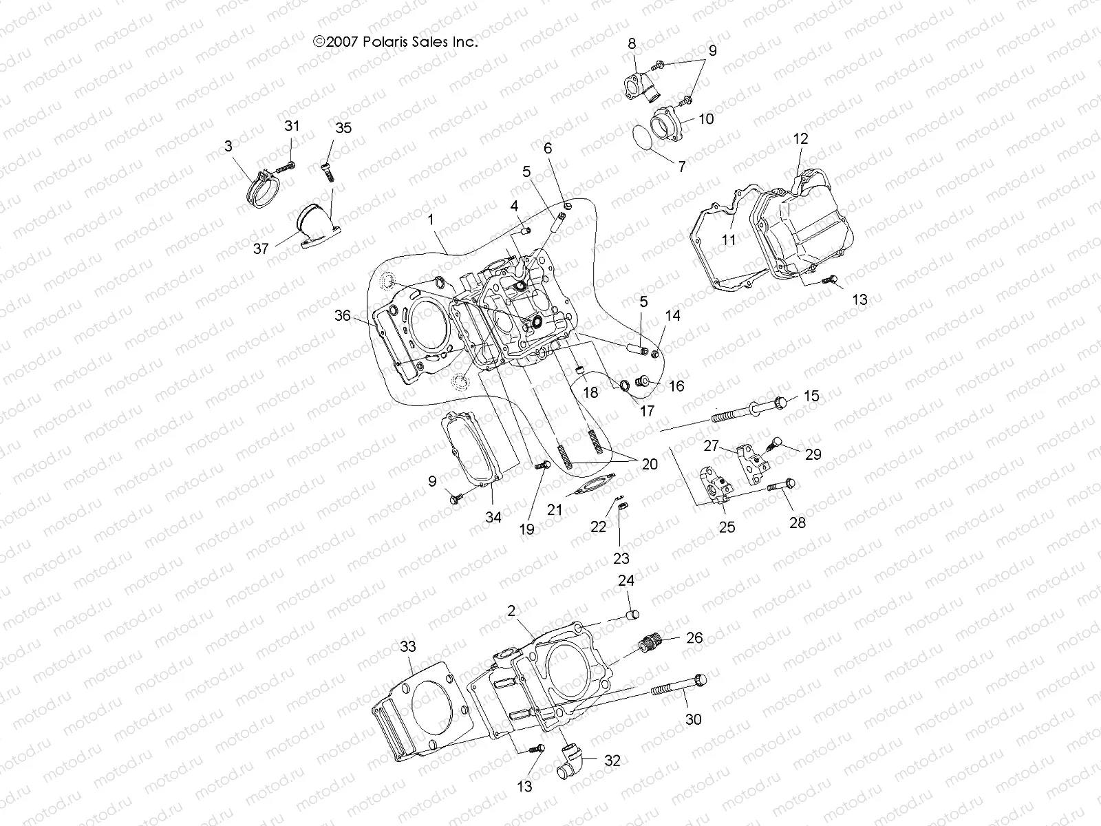
1
3085527
ASM. HEAD CYLINDER
Цена по
запросу
2
3089256
ASM-CYLINDER
Цена по
запросу
3
3090209
BAND ASSY. (ADAPTER)
Цена по
запросу
4
3084857
PIN STRAIGHT
Цена по
запросу
5
3084994
GUIDE VALVE
Цена по
запросу
6
3084858
SEAL INTAKE VALVE
Цена по
запросу
7
3084867
O-Ring
Цена по
запросу
8
3084870
ADAPTER-WATER OUT
Цена по
запросу
9
3084877
Vis
Цена по
запросу
10
3084866
ADAPTER CAMSHAFT
Цена по
запросу
11
3085074
Joint de couvercle de soupape
Цена по
запросу
12
3085073
COVER ROCKER
Цена по
запросу
13
3084874
Vis
Цена по
запросу
14
3084859
SEAL EXHAUST VALVE
Цена по
запросу
15
3084875
Vis
Цена по
запросу
16
3084860
PLUG
Цена по
запросу
17
3084861
Gasket
Цена по
запросу
18
3084862
PLUG BLIND
Цена по
запросу
19
3086781
Vis
Цена по
запросу
20
3085075
Exhaust gasket
Цена по
запросу
21
3085326
STUD
Цена по
запросу
22
3080530
Rondelle (Lock)
Цена по
запросу
23
3087199
Nut
Цена по
запросу
24
3087266
KNOCK PIPE
Цена по
запросу
25
3084863
SUPPORT VALVE ROCKER SHAFT(MAG
Цена по
запросу
26
3089956
UNION-OIL FILTER
Цена по
запросу
27
3084864
SUPPORT VALVE ROCKER SHAFT(PTO
Цена по
запросу
28
3084876
Vis
Цена по
запросу
29
3085854
BOLT-ROCKER SHAFT
Цена по
запросу
30
3084873
Vis
Цена по
запросу
31
3081497
Vis
Цена по
запросу
32
3086747
PIPE-2 ELBOW
Цена по
запросу
33
3089966
Joint d'embase cylindre
Цена по
запросу
34
3089242
COVER-CAMSHAFT
Цена по
запросу
35
3081330
BOLT SOCKET HEAD
Цена по
запросу
36
3085371
Joint culasse
Цена по
запросу
37
3085809
ASM. ADAPTER
Цена по
запросу

Узлы для