ENGINE | ENGINE, CRANKSHAFT and PISTON - R19RT_87 ALL OPTIONS (700924)

ENGINE | ENGINE, CRANKSHAFT and PISTON - R19RT_87 ALL OPTIONS (700924)
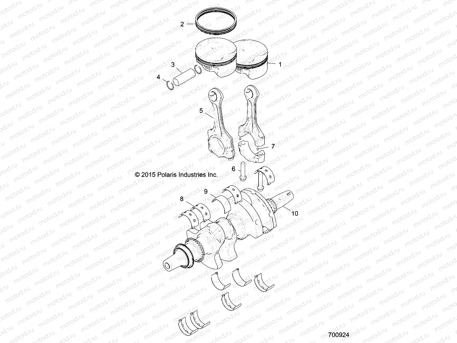
1
2205244
KIT-PISTON 3022567
Цена по
запросу
2
2204949
KIT-PISTON RINGS
Цена по
запросу
3
3022358
Piston pin
Цена по
запросу
4
3022413
RING-RTG ROUND 20.0X1.6
Цена по
запросу
5
3022893
ASM-ROD CONNECTING 129.45MM
Цена по
запросу
6
7520349
SCR-ROD BOLT MJ9X1-4H6H
Цена по
запросу
7
7661972
PIN-DOWEL-SOL-M3X5 SUJ2
Цена по
запросу
8
3514662-002
BEARING-MAIN G-90 41MM BLU
Цена по
запросу
8
3514662-003
BEARING-MAIN G-90 41MM GRN
Цена по
запросу
8
3514662-005
BEARING-MAIN G-90 41MM RED
Цена по
запросу
8
3514662-001
BEARING-MAIN G-90 41MM WHT
Цена по
запросу
8
3514662-004
BEARING-MAIN G-90 41MM YLW
Цена по
запросу
9
3514663-001
BEARING-CON ROD G-90 41MM WHT
Цена по
запросу
9
3514663-003
BEARING-CON ROD G-90 41MM GRN
Цена по
запросу
9
3514663-004
BEARING-CON ROD G-90 41MM YLW
Цена по
запросу
9
3514663-002
BEARING-CON ROD G-90 41MM BLU
Цена по
запросу
10
3022793
ASM-CRANKSHAFT
Цена по
запросу
10
3022793
ASM-CRANKSHAFT
Цена по
запросу

Узлы для