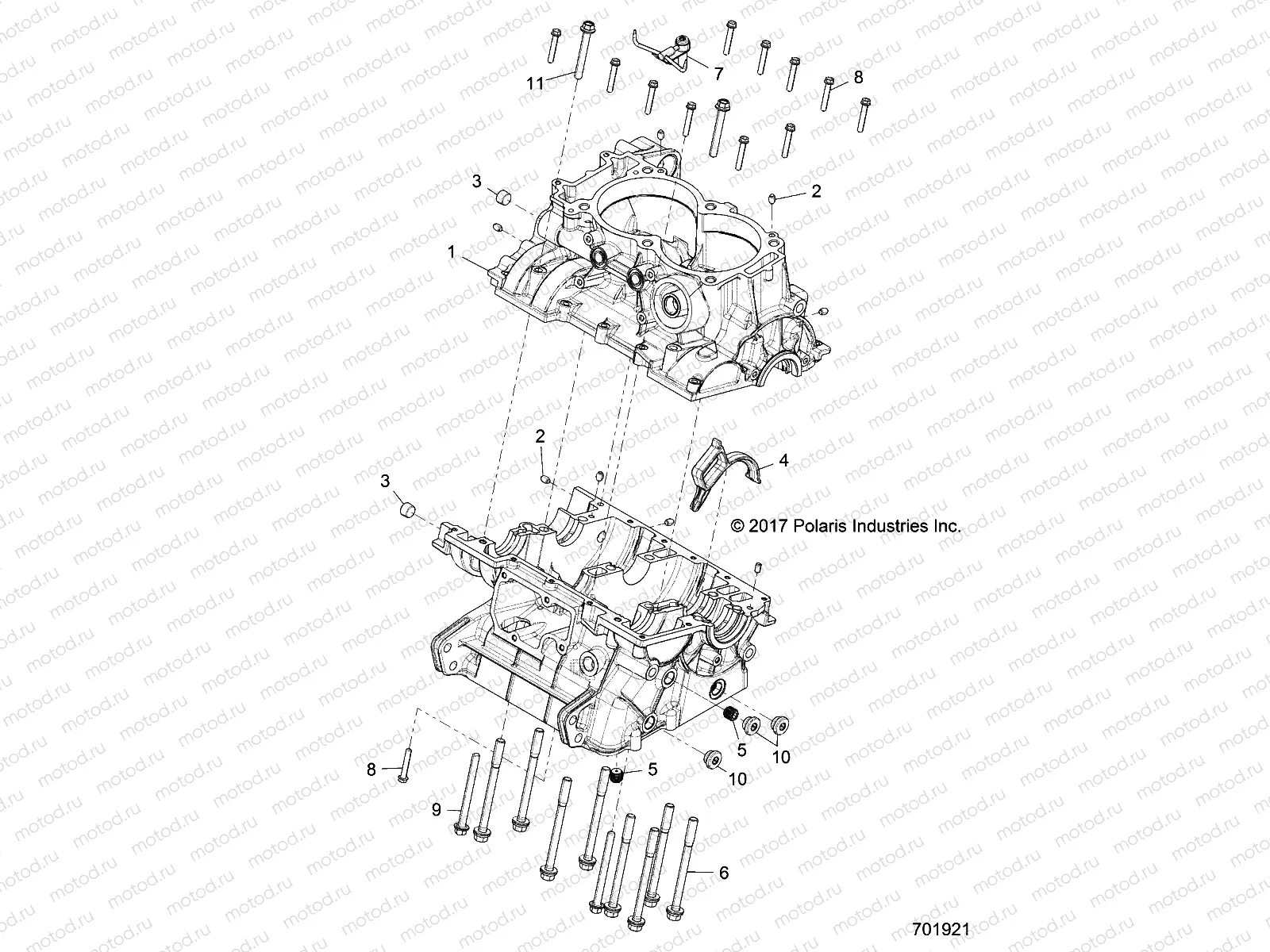
ENGINE | ENGINE, CRANKCASE - Z18VDS92CF/CU (701921)

ENGINE | ENGINE, CRANKCASE - Z18VDS92CF/CU (701921)
1
2207375
K-CRANKCASE 1205772
Цена по
запросу
2
5132835
Dowel pin
Цена по
запросу
3
7052413
PLUG-3/8 NPT HX/SOC W/SEALANT
Цена по
запросу
4
5452616
DIVERTER-OIL DRAIN
Цена по
запросу
5
7518835
PLUG-HEX SOCKET 1/4X18 SEALANT
Цена по
запросу
6
7521267
SCR-M10X1.25X115MM HXFL 10.9
Цена по
запросу
7
3022856
JET-PISTON
Цена по
запросу
8
7518578
SCR-M6X35 HXFLG 0600214
Цена по
запросу
9
7519154
Vis
Цена по
запросу
10
7052642
PLUG-HEX SCKT W/O-RING M16X1.5
Цена по
запросу
11
7519186
Vis
Цена по
запросу

Узлы для