ENGINE | ENGINE, CRANKCASE - R13TH76/7E ALL OPTIONS (49RGRCRANKCASE086X6)

ENGINE | ENGINE, CRANKCASE - R13TH76/7E ALL OPTIONS (49RGRCRANKCASE086X6)
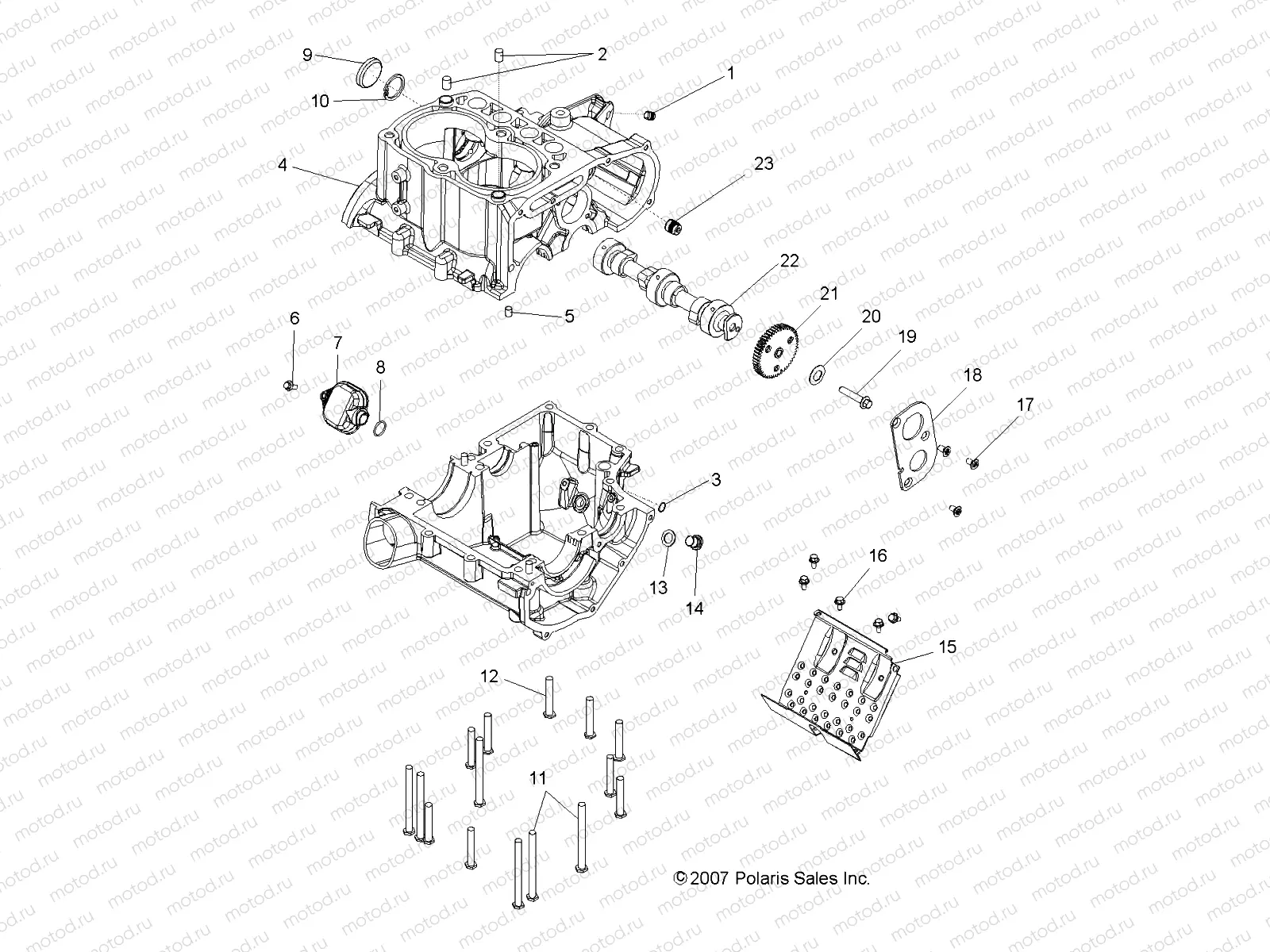
1
7051531
PLUG EXPANSION 9MM 500PSI
Цена по
запросу
2
7661175
DOWEL-HOL M16X12 0600089
Цена по
запросу
3
7051530
PLUG EXPANSION 19MM
Цена по
запросу
4
2204395
KIT-CRANKCASE 1204194
Цена по
запросу
5
7663001
Dowel pin
Цена по
запросу
6
7516603
BOLT(1)
Цена по
запросу
7
1202663
ASM-OIL PICKUP
Цена по
запросу
8
5812016
SEAL-O-RING .070X.614
Цена по
запросу
9
3060004
PLUG EXPANSION 48MM
Цена по
запросу
10
7710512
RING-RETAINING 1 5/8
Цена по
запросу
11
7517792
SCR-M8X1.25X90 HX/FL-Y
Цена по
запросу
12
7517793
SCR-M8X1.25X50 HX/FL-Y
Цена по
запросу
13
5812232
WASHER-19X12X1.3-COPPER
Цена по
запросу
14
7052306
PLUG-SOCKET M12X1.5 DIN 908A
Цена по
запросу
15
5211785
PLATE-BAFFLE CRANKCASE
Цена по
запросу
16
7518045
SCR-M5X.80X8-HX/FL-Y/D
Цена по
запросу
17
7517598
Vis
Цена по
запросу
18
5244286
PLATE-THRUST
Цена по
запросу
19
7517865
SCREW M8X1.25X45 HX/FL-D
Цена по
запросу
20
7556183
WASHER-SPRING 1.1X.559X.0315
Цена по
запросу
21
2203106
KIT-GEAR SET ATV
Цена по
запросу
22
2203740
KIT-CAMSHAFT 800 EFI HO
Цена по
запросу
23
7052288
PLUG-EXPANSION 13MM 500 PSI
Цена по
запросу

Узлы для