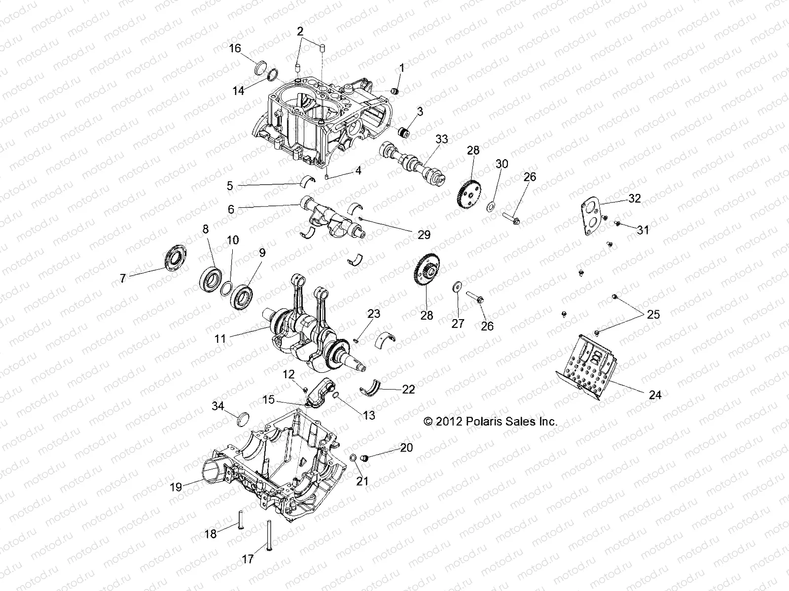
ENGINE | ENGINE, CRANKCASE and CRANKSHAFT - R13XE76AD/EAI (49RGRCRANKCASE13RZR4)

ENGINE | ENGINE, CRANKCASE and CRANKSHAFT - R13XE76AD/EAI (49RGRCRANKCASE13RZR4)
1
7051531
PLUG EXPANSION 9MM 500PSI
Цена по
запросу
2
7661175
DOWEL-HOL M16X12 0600089
Цена по
запросу
3
7052288
PLUG-EXPANSION 13MM 500 PSI
Цена по
запросу
4
7663001
Dowel pin
Цена по
запросу
5
5132753
BEARING-JOURNAL BAL SHAFT
Цена по
запросу
6
5137337
SHAFT-BALANCE 800 MACH
Цена по
запросу
7
5412676
SEAL-FLANGE 35X72X7 REP
Цена по
запросу
8
3585503
BEARING BALL
Цена по
запросу
9
3514318
BEARING BALL
Цена по
запросу
10
7556194
BUSHING-35X44X3.00 MM-B
Цена по
запросу
11
2205112
KIT-CRANKSHAFT 1204334
Цена по
запросу
12
7516603
BOLT(1)
Цена по
запросу
13
5413013
O-RING 0.551X0.070
Цена по
запросу
14
7710512
RING-RETAINING 1 5/8
Цена по
запросу
15
1204082
ASM-OIL PICKUP DT800 RZR
Цена по
запросу
16
3060004
PLUG EXPANSION 48MM
Цена по
запросу
17
7517792
SCR-M8X1.25X90 HX/FL-Y
Цена по
запросу
18
7517793
SCR-M8X1.25X50 HX/FL-Y
Цена по
запросу
19
2204399
KIT-CRANKCASE 1204275
Цена по
запросу
20
7052306
PLUG-SOCKET M12X1.5 DIN 908A
Цена по
запросу
21
5812232
WASHER-19X12X1.3-COPPER
Цена по
запросу
22
3585704
BEARING MAIN JOURNAL
Цена по
запросу
23
7721117
KEY WOODRUFF
Цена по
запросу
24
5253617
CRANKCASE-BAFFLE PLATE 800RZR
Цена по
запросу
25
7518045
SCR-M5X.80X8-HX/FL-Y/D
Цена по
запросу
26
7517865
SCREW M8X1.25X45 HX/FL-D
Цена по
запросу
27
7555982
WASHER RETAINING 8.5X28X3
Цена по
запросу
28
2203106
KIT-GEAR SET ATV
Цена по
запросу
29
7721131
KEY-WOOD RUFF #404
Цена по
запросу
30
7556183
WASHER-SPRING 1.1X.559X.0315
Цена по
запросу
31
7517598
Vis
Цена по
запросу
32
5244286
PLATE-THRUST
Цена по
запросу
33
2203740
KIT-CAMSHAFT 800 EFI HO
Цена по
запросу
34
7051530
PLUG EXPANSION 19MM
Цена по
запросу

Узлы для