ENGINE | ENGINE, CRANKCASE - A19SHE57RS (49ATVCRANKCASE14SP570)

ENGINE | ENGINE, CRANKCASE - A19SHE57RS (49ATVCRANKCASE14SP570)
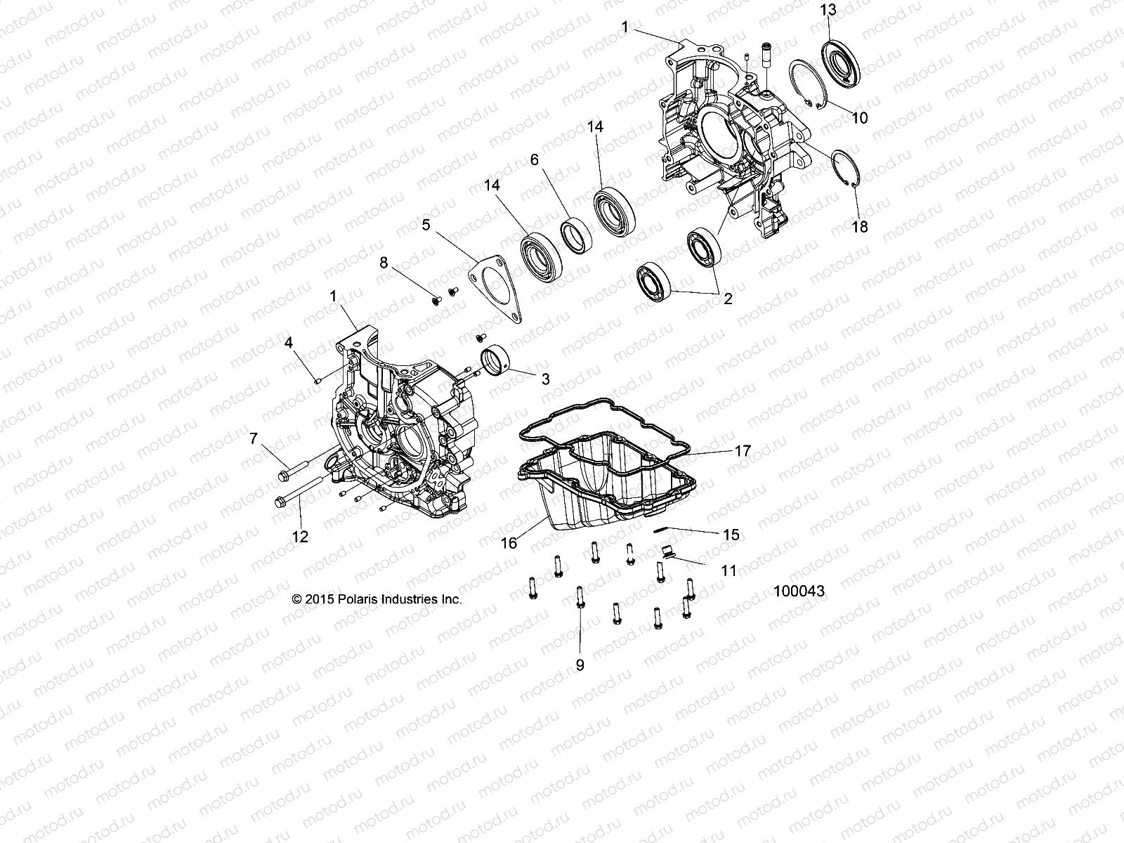
1
2206361
K-CRANKCASE 570
Цена по
запросу
2
3514426
BEARING-BALL 30X62X16
Цена по
запросу
3
LR--
CALIPER, BRAKE, RH
Цена по
запросу
4
5132835
Dowel pin
Цена по
запросу
5
5256915
PLATE-BEARING RETAINER
Цена по
запросу
6
5140919
SPACER-BRG MACH
Цена по
запросу
7
7520105
SCR-M8X1.25X50
Цена по
запросу
8
7517598
Vis
Цена по
запросу
9
7519754
SCR-HXFLG M6X1.0X25 10.9
Цена по
запросу
10
7710660
RING-SNAP 80X2.5
Цена по
запросу
11
7052306
PLUG-SOCKET M12X1.5 DIN 908A
Цена по
запросу
12
7520104
SCR-M8X1.25X90
Цена по
запросу
13
3610171
SEAL-CRANKSHAFT
Цена по
запросу
14
3514389
BEARING-BALL 40X80X18 DG NCAGE
Цена по
запросу
15
5812232
WASHER-19X12X1.3-COPPER
Цена по
запросу
16
5143696
OIL PAN MACH
Цена по
запросу
17
5414626
Joint - cuve d'huile
Цена по
запросу
18
7710681
RING-RTNG DHO-62
Цена по
запросу

Узлы для