ENGINE | ENGINE, CRANKCASE - A16YAF09AA (49ATVCRANKCASE12SP90)

ENGINE | ENGINE, CRANKCASE - A16YAF09AA (49ATVCRANKCASE12SP90)
0
9990000
Suspension, Rear
Цена по
запросу
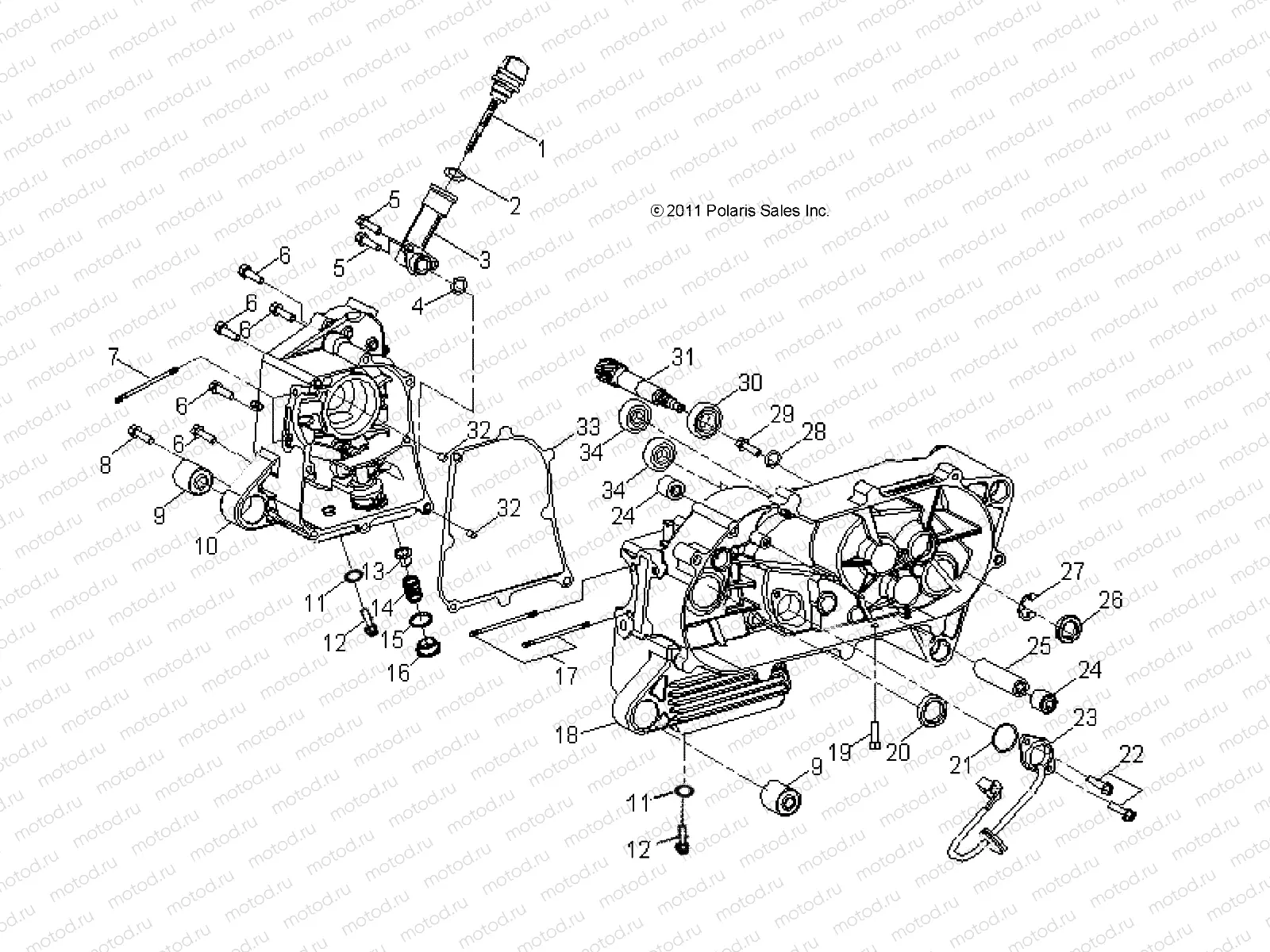
1
0453542
GAUGE-OIL
Цена по
запросу
2
0455117
O-Ring
Цена по
запросу
3
0453611
NECK-OIL FILLER
Цена по
запросу
4
0453827
O RING-ACRYLIC
Цена по
запросу
5
0453519
Vis
Цена по
запросу
6
0453612
Vis
Цена по
запросу
7
0453613
Stud bolt
Цена по
запросу
8
0453614
Vis
Цена по
запросу
9
0450587
BUSHING-RUBBER 96400-102831
Цена по
запросу
10
0455175
CRANKCASE-RH YOUTH
Цена по
запросу
11
0452133
WASHER-FLAT
Цена по
запросу
12
0452132
BOLT-HEX WASHER FACE
Цена по
запросу
13
0452369
SCREEN-OIL
Цена по
запросу
14
0452370
SPRING-OIL SCREEN
Цена по
запросу
15
0452371
O-RING DRAIN PLUG
Цена по
запросу
16
0452368
PLUG-DRAIN OIL
Цена по
запросу
17
0453616
Stud bolt
Цена по
запросу
18
0453330
COVER-CLUTCH
Цена по
запросу
19
0453669
Vis
Цена по
запросу
20
0453522
SEAL-OIL CRANKCASE
Цена по
запросу
21
0452129
O-RING-GEAR POSITION SENSOR
Цена по
запросу
22
0452138
Vis
Цена по
запросу
23
0452128
SENSOR-GEAR POSITION
Цена по
запросу
24
0451139
BUSHING-RUBBER
Цена по
запросу
25
0453617
SPACER-COLLAR CRANKCASE
Цена по
запросу
26
0450200
Joint
Цена по
запросу
27
0450198
CIRCLIP-EXTERNAL
Цена по
запросу
28
0453460
WASHER-PLAIN
Цена по
запросу
29
0450158
BOLT-SOCKET HEX
Цена по
запросу
30
0450199
Roulement
Цена по
запросу
31
0453456
SHAFT-DRIVE
Цена по
запросу
32
0452342
Dowel pin
Цена по
запросу
33
0455333
GASKET-CRANKCASE
Цена по
запросу
34
0450254
BEARING-BALL
Цена по
запросу

Узлы для