ENGINE | ENGINE, COOLING, THERMOSTAT and BYPASS - R13UH88/UH9E ALL OPTIONS (49RGRTHERMO13900XP)

ENGINE | ENGINE, COOLING, THERMOSTAT and BYPASS - R13UH88/UH9E ALL OPTIONS (49RGRTHERMO13900XP)
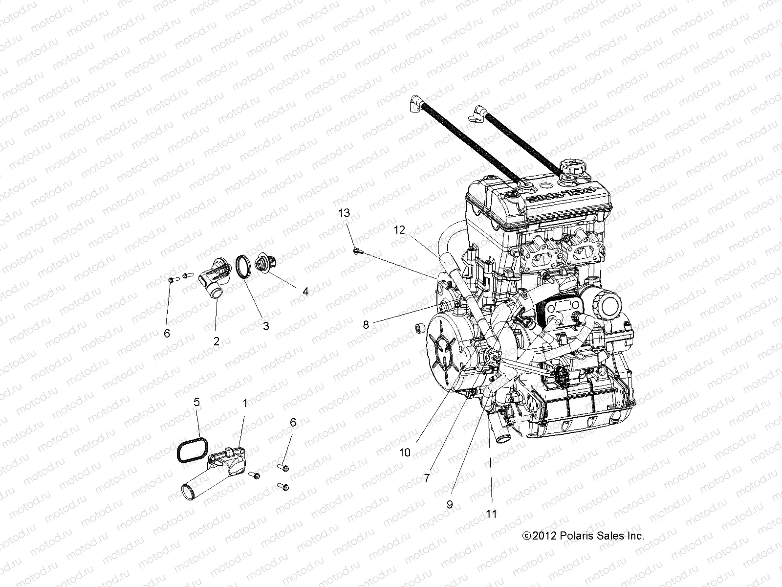
1
5632557
COVER-WATER INLET CAST
Цена по
запросу
2
5632606
COVER-THERMOSTAT
Цена по
запросу
3
5413948
SEAL-THERMOSTAT
Цена по
запросу
4
7052496
THERMOSTAT-44M FLANGE 180F
Цена по
запросу
5
5813736
GASKET-WATER INLET
Цена по
запросу
6
7518576
SCR-M6X20 HXFLG 0600214
Цена по
запросу
7
7081192
CLAMP-HOSE(WORM DR)25-40MM
Цена по
запросу
8
5414209
HOSE-OIL COOLER OUTLET
Цена по
запросу
9
5414282
HOSE-OIL COOLER OUTLET
Цена по
запросу
10
5414208
HOSE-WATER PUMP OUT FORMED
Цена по
запросу
11
7081026
CLAMP-HOSE SPRING .81
Цена по
запросу
12
5255514
BRKT-BYPASS HOSE
Цена по
запросу
13
7670102
CLIP
Цена по
запросу

Узлы для