ДВИГАТЕЛЬ, СИСТЕМА ОХЛАЖДЕНИЯ для RANGER 500 2WD (R01) (R21RM250A1) Polaris 2021 RANGER

ENGINE | ENGINE, COOLING SYSTEM - R21RM250A1 (702000)
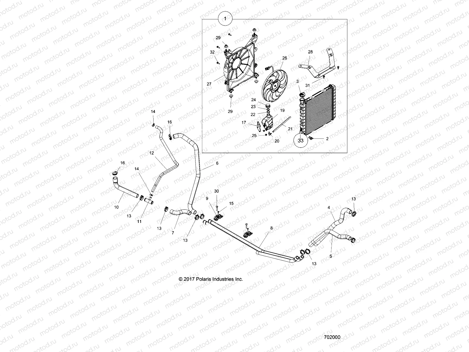
1
1240955
ASM-RADIATOR
Цена по
запросу
2
7052617
VALVE-PLASTIC RAD/COOLER DRAIN
Цена по
запросу
3
1240899
CAP-PRESSURE
Цена по
запросу
4
5415269
HOSE-UPPER RAD
Цена по
запросу
5
5415526
HOSE-LOWER RAD
Цена по
запросу
6
5416553
HOSE-ENGINE OUTLET REAR
Цена по
запросу
7
5415054
HOSE-LOWER ENGINE SHORT
Цена по
запросу
8
5139239
TUBE-COOLANT 1
Цена по
запросу
9
5451221
BRACKET-COOLANT TUBE
Цена по
запросу
10
5414162
HOSE-BYPASS 1IN FORMED
Цена по
запросу
11
7052530
CONNECTOR-TEE 1X1X0.5
Цена по
запросу
12
5414590
HOSE-BYPASS 1/2IN FORMED
Цена по
запросу
13
7080843
CLAMP SPRINGBAND 32/12
Цена по
запросу
14
7080474
CLAMP HOSE
Цена по
запросу
15
7516822
Vis
Цена по
запросу
16
7081192
CLAMP-HOSE(WORM DR)25-40MM
Цена по
запросу
17
5254763
BRKT-SURGE TANK
Цена по
запросу
19
5436936
TANK-SURGE
Цена по
запросу
20
7052065
FITTING 90 DEGREE
Цена по
запросу
21
8450003-1525
LINE FUEL 1/4 ID(1525 CM.)
Цена по
запросу
22
5433774
CAP PLUG9X(GRN) FLEX TEMP
Цена по
запросу
23
5810279
GASKET
Цена по
запросу
24
5430743
CAP OVERFLOW
Цена по
запросу
25
7512084
Vis
Цена по
запросу
26
2413196
FAN-ASSEMBLY SHROUD
Цена по
запросу
27
LR--
CALIPER, BRAKE, RH
Цена по
запросу
28
5260846-458
BRKT-RAD MNT BLK
Цена по
запросу
29
7052028
Damper
Цена по
запросу
30
7519001
SCR-M6X1X40 TR/TX-M
Цена по
запросу
31
7518529
SCR-M6X1.0X20 HXHD FLG TDFM BL
Цена по
запросу
32
7516822
Vis
Цена по
запросу
33
1240956
ASM-RADIATOR CORE
Цена по
запросу

Узлы для