ENGINE | ENGINE, COOLING SYSTEM and WATER PUMP - A12DN5EFR (49ATVWATERPUMP12SP550)

ENGINE | ENGINE, COOLING SYSTEM and WATER PUMP - A12DN5EFR (49ATVWATERPUMP12SP550)
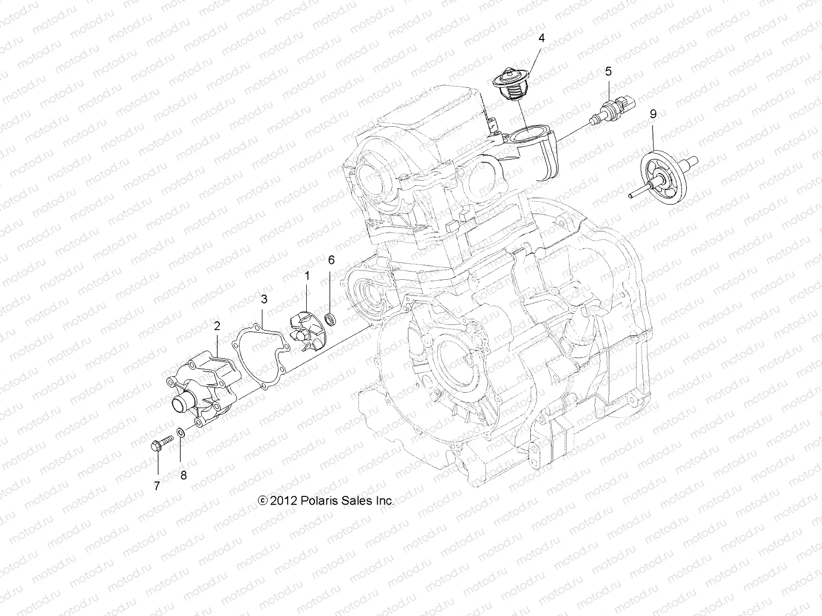
1
3090132
IMPELLER
Цена по
запросу
2
3090133
COVER-WATERPUMP
Цена по
запросу
3
3090134
Gasket
Цена по
запросу
4
3090135
THERMOSTAT
Цена по
запросу
5
3089892
SENSOR-WATER TEMP
Цена по
запросу
6
3084942
WASHER SEAL
Цена по
запросу
7
3087159
Vis
Цена по
запросу
8
3088030
GASKET COPPER
Цена по
запросу
9
3090136
SHAFT-PUMP
Цена по
запросу

Узлы для