ENGINE | ENGINE, COOLING SYSTEM - A15SVA85HD (49ATVCOOL13850SCRAM)

ENGINE | ENGINE, COOLING SYSTEM - A15SVA85HD (49ATVCOOL13850SCRAM)
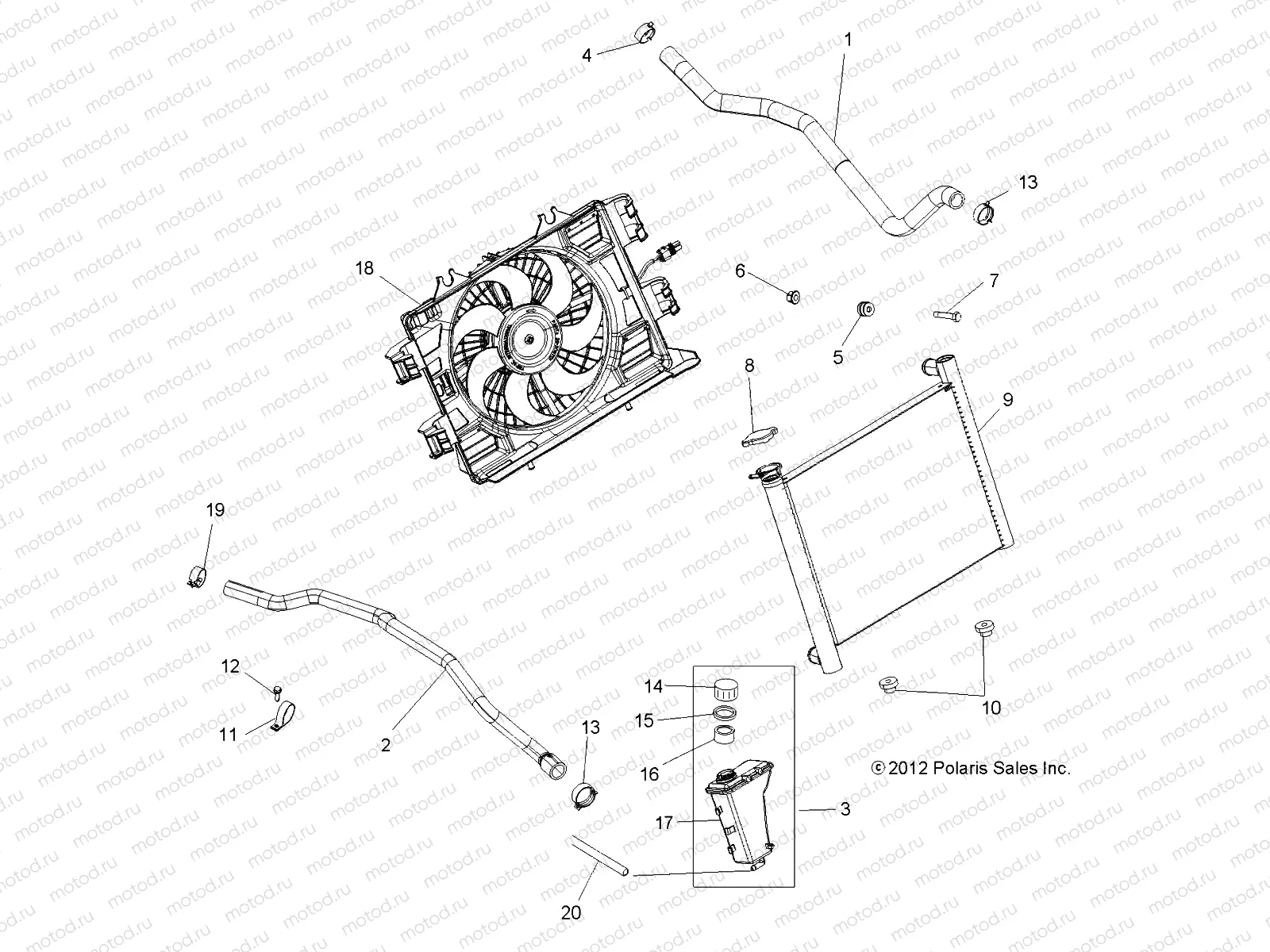
1
5414392
HOSE-RADIATOR ENGINE OUT 25MM
Цена по
запросу
2
5414391
HOSE-RADIATOR ENGINE IN 25MM
Цена по
запросу
3
1240406
ASM-BOTTLE COOLANT RECOVERY
Цена по
запросу
4
7080844
CLAMP SPRINGBAND 35/12 BLK
Цена по
запросу
5
5413509
ASM-GROMMET AND INSERT
Цена по
запросу
6
7547274
NUT-M6 FLANGE NYLOK
Цена по
запросу
7
7519202
SCR-HXFL-M6X1.0X30 RIE DGPNT
Цена по
запросу
8
1240466
CAP-PRESSURE 13 PSI
Цена по
запросу
9
1241437
ASM-RADIATOR 850 SPMN LED
Цена по
запросу
9
1240404
RADIATOR-11 FPI 25MM FITTINGS
Цена по
запросу
10
5413510
GROMMET-MOUNT LOWER RADIATOR
Цена по
запросу
11
7080908
CLAMP HOSE 1.375 VNL ECOATED
Цена по
запросу
12
7518513
BOLT-M6X1.0X15 HXFLG TAP/R-OD
Цена по
запросу
13
7080843
CLAMP SPRINGBAND 32/12
Цена по
запросу
14
5430743
CAP OVERFLOW
Цена по
запросу
15
5810279
GASKET
Цена по
запросу
16
5433774
CAP PLUG9X(GRN) FLEX TEMP
Цена по
запросу
17
1240406
ASM-BOTTLE COOLANT RECOVERY
Цена по
запросу
18
2415279
FAN-12 SHROUD SPMN LED
Цена по
запросу
19
7081192
CLAMP-HOSE(WORM DR)25-40MM
Цена по
запросу
20
8450128-27
LINE-COOLANT 27CM
Цена по
запросу

Узлы для