ENGINE | ENGINE, CARBURETOR - S22CBA5TSL (601492)

ENGINE | ENGINE, CARBURETOR - S22CBA5TSL (601492)
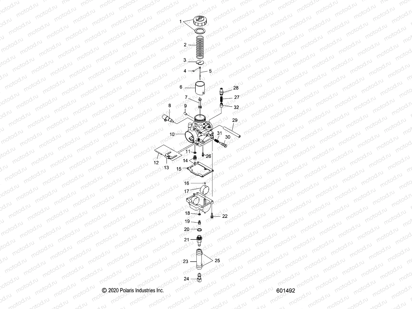
1
3130184
ASM. TOP MIXING CHAMBER
Цена по
запросу
2
3130439
SPRING THROTTLE
Цена по
запросу
3
3130027
PLATE THROTTLE
Цена по
запросу
4
3130508
E-RING
Цена по
запросу
5
3131703
JET NEEDLE J8-6BGY48
Цена по
запросу
6
3131763
THROTTLE VALVE 3.0
Цена по
запросу
7
3130964
JET NEEDLE(Q-0)480
Цена по
запросу
8
3086785
ASM. VALVE CHECK
Цена по
запросу
9
3130479
CAP
Цена по
запросу
10
3131770
ASM-CARBURETOR
Цена по
запросу
11
3130017
PACKING NEEDLE VALVE
Цена по
запросу
12
3130361
PIN FLOAT
Цена по
запросу
13
3130018
ARM FLOAT
Цена по
запросу
14
3131146
VALVE NEEDLE 1.5
Цена по
запросу
15
3130020
Gasket - float chamber
Цена по
запросу
16
3130237
CAP
Цена по
запросу
17
3130430
FLOAT ASM.
Цена по
запросу
18
3130014
WASHER
Цена по
запросу
19
3130125
JET MAIN HX.HD#220
Цена по
запросу
20
3130239
O-Ring
Цена по
запросу
21
3130573
NIPPLE
Цена по
запросу
22
3130025
ASM. SCREW & WASHER
Цена по
запросу
23
5413396
HOSE-WATERTRAP 5/16 45?
Цена по
запросу
24
5431893
PLUG TRAP
Цена по
запросу
25
7080534
CLAMP HOSE
Цена по
запросу
26
3130068
JET PILOT #45
Цена по
запросу
27
3131764
SPRING THROTTLE SS
Цена по
запросу
28
3130199
HOLDER GUIDE
Цена по
запросу
29
3090196
HOSE
Цена по
запросу
30
3130009
SCREW THROTTLE STOP
Цена по
запросу
31
3130010
Spring
Цена по
запросу
32
3130328
ASM. PLUNGER
Цена по
запросу

Узлы для