ENGINE | ENGINE, AIR INTAKE SYSTEM - A18DCE87BB (100658)

ENGINE | ENGINE, AIR INTAKE SYSTEM - A18DCE87BB (100658)
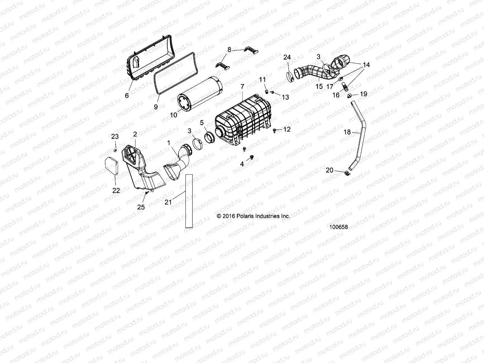
1
5452344
DUCT-INTAKE AIRBOX
Цена по
запросу
2
5450728
BOX-INTAKE ENGINE RH
Цена по
запросу
3
7080439
CLAMP, HOSE(10)
Цена по
запросу
4
5414472
PLUG-DRAIN
Цена по
запросу
5
5415155
SEAL-INTAKE AIRBOX
Цена по
запросу
6
5451097
COVER-AIRBOX
Цена по
запросу
7
5451098
AIRBOX
Цена по
запросу
8
5451099
STRAP-AIRBOX
Цена по
запросу
9
5815300
SEAL-AIRBOX
Цена по
запросу
10
7082115
FILTER-AIR
Цена по
запросу
10
2882233
K-FILTER AIR ULTRA PERF APX
Цена по
запросу
11
7547674
NUT-M6-1.0 U-TYPE (2.5-3.8)(10
Цена по
запросу
12
7518555
BOLT-M8X1.25X20 HXFLG TAP/R-OD
Цена по
запросу
13
7519650
SCR-TXTH-M6X1.0X25 RIE
Цена по
запросу
14
1240975
ASM-INTAKE DUCT
Цена по
запросу
15
5452345
DUCT-INTAKE ENG
Цена по
запросу
16
7052580
FITTING-3/4 DOUBLE BARB
Цена по
запросу
17
7081903
CLAMP-HOSE
Цена по
запросу
18
5415564
HOSE-VENT ENG
Цена по
запросу
19
7080614
CLAMP HOSE
Цена по
запросу
20
7080841
CLAMP SPRINGBAND 27/12 GREEN
Цена по
запросу
21
5814033
SEAL-FOAM ADHESIVE
Цена по
запросу
22
5814026
FILTER-INTAKE FOAM
Цена по
запросу
23
7670088
CLIP PLASTIC DART NYLON
Цена по
запросу
24
7080446
CLAMP, HOSE(10)
Цена по
запросу
25
7518529
SCR-M6X1.0X20 HXHD FLG TDFM BL
Цена по
запросу

Узлы для