ENGINE | ENGINE, AIR INTAKE SYSTEM - A15YAK05AD/AF (49ATVAIRBOX14OUT50)

ENGINE | ENGINE, AIR INTAKE SYSTEM - A15YAK05AD/AF (49ATVAIRBOX14OUT50)
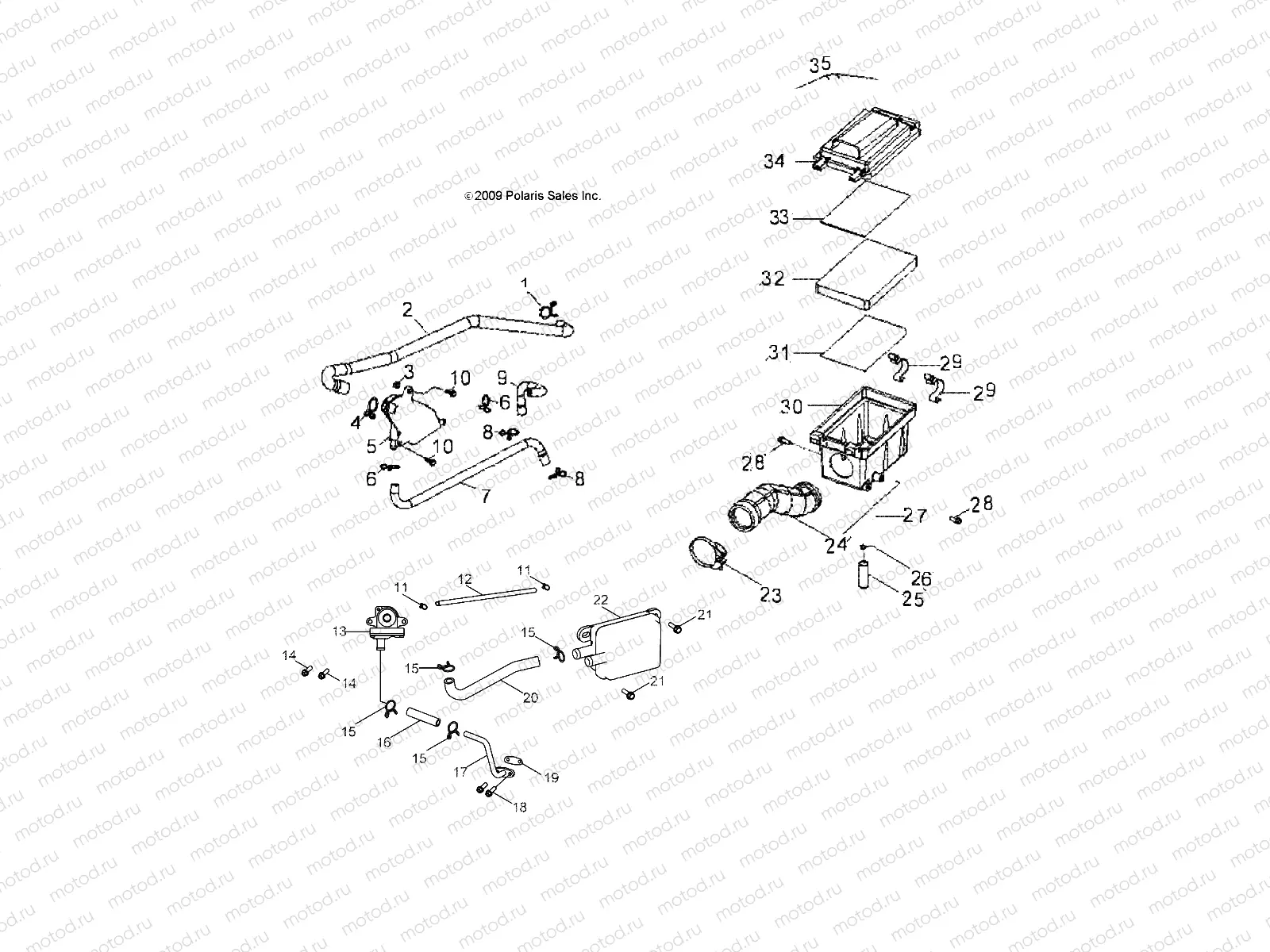
1
0453932
CLIP-AIRBOX PREDATOR 50
Цена по
запросу
2
0453933
TUBE-BREATHER VENTILATED
Цена по
запросу
3
0450150
NUT-FLANGE HEX
Цена по
запросу
4
0453187
CLIP-RETAINING
Цена по
запросу
5
0453184
SEPARATOR-OIL
Цена по
запросу
6
0453934
CLIP-AIRBOX PREDATOR 50
Цена по
запросу
7
0453935
TUBE-OIL AIRBOX PRED 50
Цена по
запросу
8
0453936
CLIP-AIR BOX PREDATOR 50
Цена по
запросу
9
0454000
TUBE-OIL AIROBX PRED 50
Цена по
запросу
10
0454011
BOLT-HEX WASHER
Цена по
запросу
11
0453944
Collier
Цена по
запросу
12
0454927
HOSE
Цена по
запросу
13
0454398
VALVE-INTAKE DUAL
Цена по
запросу
14
0453517
BOLT-FRAME
Цена по
запросу
15
0452795
CLIP
Цена по
запросу
16
0454928
HOSE
Цена по
запросу
17
0454938
TUBE-INTAKE DUAL
Цена по
запросу
18
0452413
Vis
Цена по
запросу
19
0455377
GASKET-AIR INJECTION
Цена по
запросу
20
0454941
HOSE-FORMED
Цена по
запросу
21
0454785
BOLT-W/LOCTITE
Цена по
запросу
22
0454375
ASM-FILTER FUEL
Цена по
запросу
23
0452562
Collier
Цена по
запросу
24
0453943
ASM-AIRBOX W/BOOT
Цена по
запросу
25
0453938
HOSE-DRAIN AIRBOX PRED 50
Цена по
запросу
27
0453943
ASM-AIRBOX W/BOOT
Цена по
запросу
28
0453939
Vis
Цена по
запросу
29
0453940
CLIP-AIRBOX PRED 50
Цена по
запросу
31
0453905
SCREEN-AIR CLEANER PRED 50
Цена по
запросу
32
0453906
Filtre à air
Цена по
запросу
33
0453907
GASKET-AIR BOX PRED 50
Цена по
запросу
34
0453908
COVER-AIR BOX PRED 50
Цена по
запросу
35
LR--
CALIPER, BRAKE, RH
Цена по
запросу

Узлы для