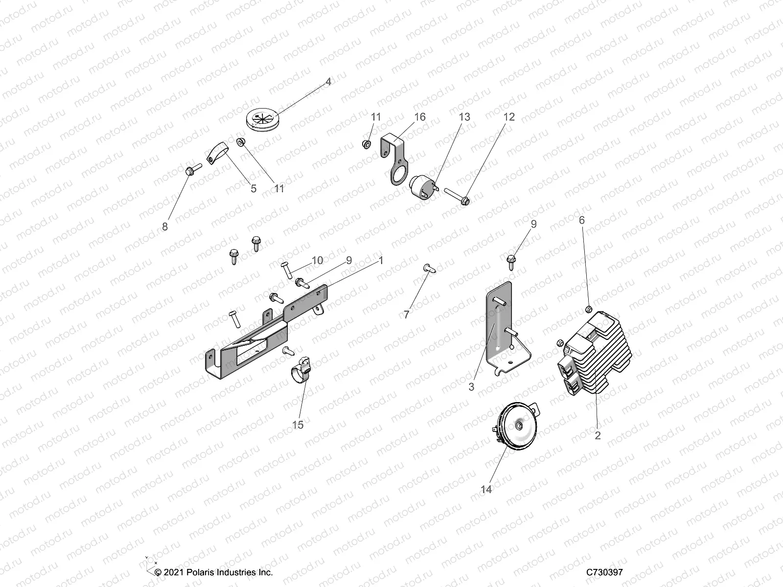
ELECTRICAL | ELECTRICAL, WIRE HARNESS COMPONENTS - D22M4A57B4/G57B4 (C730397)

ELECTRICAL | ELECTRICAL, WIRE HARNESS COMPONENTS - D22M4A57B4/G57B4 (C730397)
1
5270420-458
BRKT-F.TANK ROTATION BLK
Цена по
запросу
2
4016868
REGULATOR-3PH 50A SERIES HISPD
Цена по
запросу
3
1026443-458
WELD-REGULATOR MOUNT BLK
Цена по
запросу
4
5414440
GROMMET-ELECTRICAL CAB
Цена по
запросу
5
7081854
CLAMP-VINYL COATED 1.00IN ID
Цена по
запросу
6
7546703
Nut (SELF-LOCKING)
Цена по
запросу
7
7519045
SCR-TX TRUSS-#14X3/4 HI/LO ZBK
Цена по
запросу
8
7518533
BOLT-M6X1.0X20 HXHD FLG BLK
Цена по
запросу
9
7518529
SCR-M6X1.0X20 HXHD FLG TDFM BL
Цена по
запросу
10
7518535
BOLT-M6X1.0X25 TORX PNHD BLK
Цена по
запросу
11
7547339
NUT-M6X1.0 FLG-NYLOC-OLIVE D
Цена по
запросу
12
7519257
SCR-HXFL-M6X1.0X45 8.8 ZOD
Цена по
запросу
13
4011808
ALARM-REVERSE WARNING 3
Цена по
запросу
14
4011579
HORN-DISC
Цена по
запросу
15
7082280
STRAP-WIDE M8X1.25 STUD MNT
Цена по
запросу
16
BRKT-MOUNT,BEEPER,BLK
Цена по
запросу

Узлы для