ELECTRICAL | ELECTRICAL, SWITCHES and SENSORS - A08GJ52AA/AB/AC (49ATVELECT08OUT525S)

ELECTRICAL | ELECTRICAL, SWITCHES and SENSORS - A08GJ52AA/AB/AC (49ATVELECT08OUT525S)
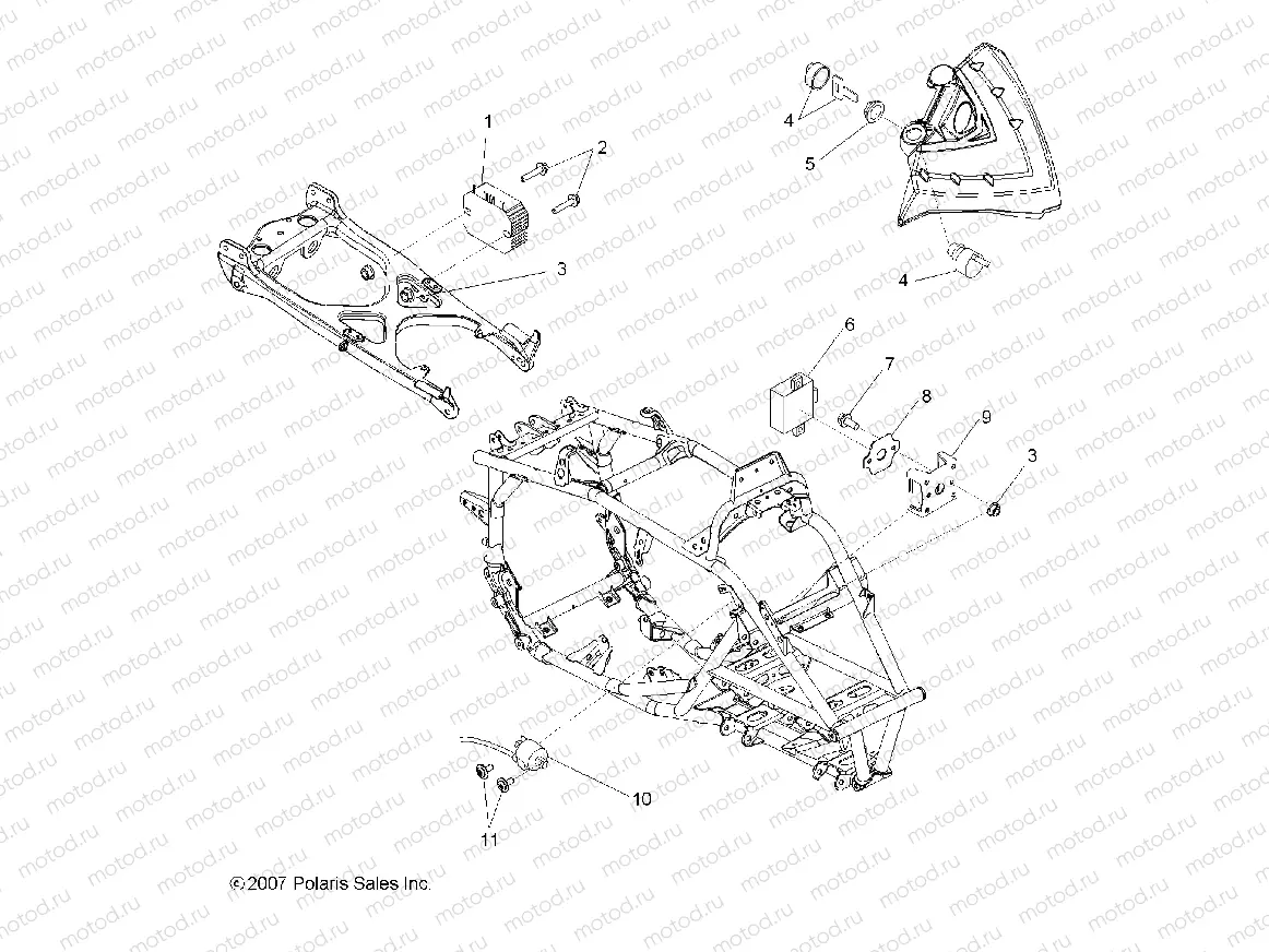
1
4012536
RECTIFIER-REGULATOR KOKUSAN
Цена по
запросу
2
7518530
BOLT-M6X1.0X30 HXHD FLG BLK
Цена по
запросу
3
7547339
NUT-M6X1.0 FLG-NYLOC-OLIVE D
Цена по
запросу
4
4012163
SWITCH-IGNITION MT SLV
Цена по
запросу
5
5433733
NUT IGNITION SWITCH
Цена по
запросу
6
4011668
CONTROLLER-IGN KOK
Цена по
запросу
7
7518656
BOLT-M6X1.0X15 PH/TX-OLIVE D
Цена по
запросу
8
5250906
PLATE-CDI MOUNT
Цена по
запросу
9
5413234
MOUNT-CDI
Цена по
запросу
10
4011669
COIL-IGNITION KOK
Цена по
запросу
11
7518196
SCR-10-24X3/4 PH/TX/TRI-SEMS Y
Цена по
запросу

Узлы для