ELECTRICAL | ELECTRICAL, SWITCHES and ECM - R14RH45AA (49RGRELECT12400)

ELECTRICAL | ELECTRICAL, SWITCHES and ECM - R14RH45AA (49RGRELECT12400)
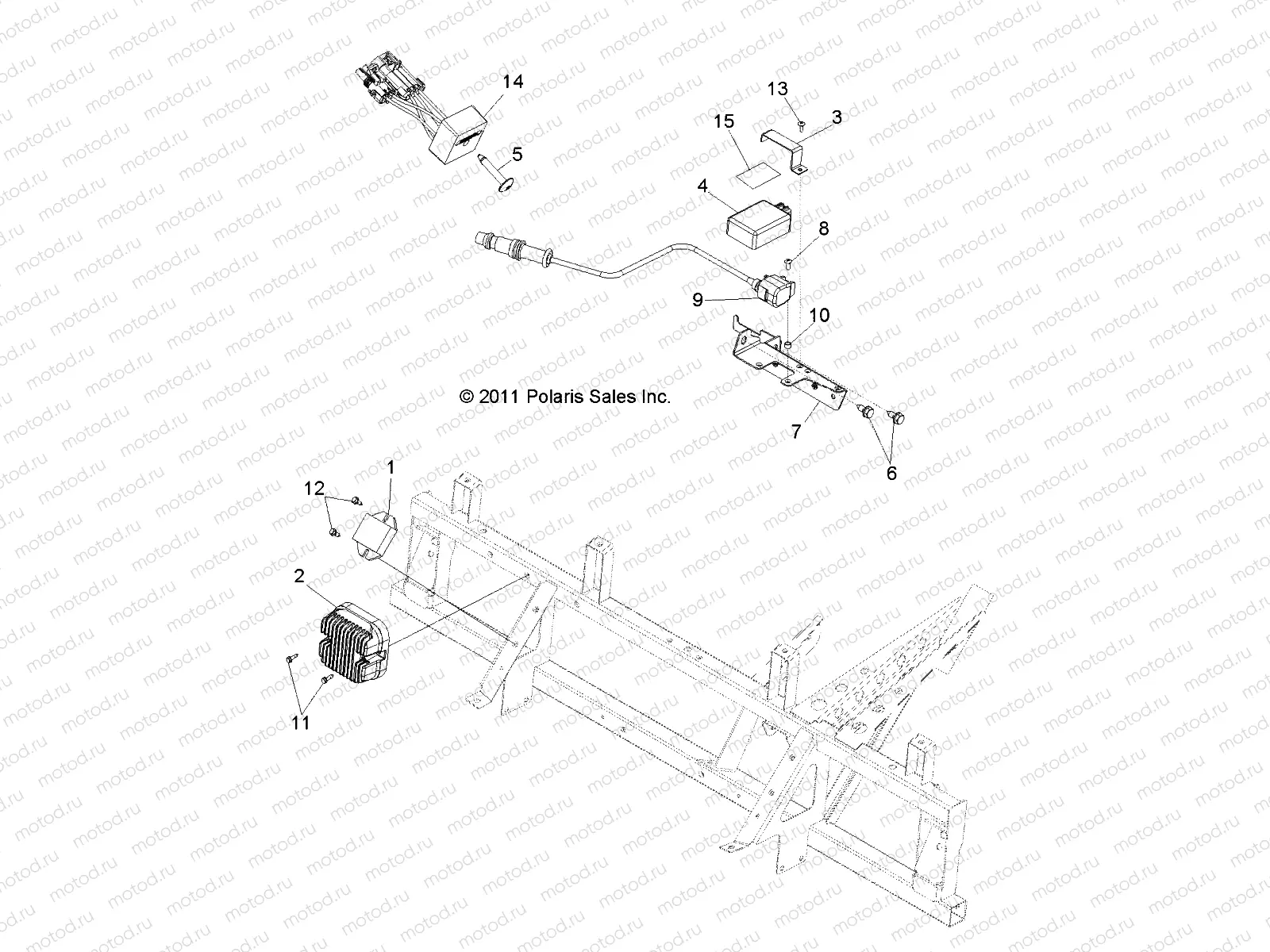
1
4012948
MODULE-VEHICLE CNTRL SHIELDED
Цена по
запросу
2
4012192
RECT-REG SERIES 3PH 20A
Цена по
запросу
3
5246747
BRKT-CDI DIGITAL LONG
Цена по
запросу
5
7518375
SCR-1/4-20X1.50 TR/TX-M
Цена по
запросу
6
7518555
BOLT-M8X1.25X20 HXFLG TAP/R-OD
Цена по
запросу
7
5256515-329
BRKT-OIL TANK SUPPORT BLK
Цена по
запросу
8
7512025
Vis
Цена по
запросу
9
LR--
CALIPER, BRAKE, RH
Цена по
запросу
10
7556318
SPACER-.26X.50X.31
Цена по
запросу
11
7518529
SCR-M6X1.0X20 HXHD FLG TDFM BL
Цена по
запросу
12
7518306
SCR-1/4-20X1.50-HX/W-TAPR-GP-Y
Цена по
запросу
13
7512084
Vis
Цена по
запросу
14
4012829
RELAY SOLID STATE 9A LONG LD
Цена по
запросу
15
5810317
PAD,FUELTANK BRKT. Substituted by 8360026
Цена по
запросу

Узлы для